Запчасти Komatsu PW128UU-1 ОСНОВН. КОНСТРУКЦИЯ (РЫЧАГ ПОДАЧИ ТОПЛИВА) КАБИНА ОПЕРАТОРА И СИСТЕМА УПРАВЛЕНИЯ

Схема запчастей Komatsu PW128UU-1 - ОСНОВН. КОНСТРУКЦИЯ (РЫЧАГ ПОДАЧИ ТОПЛИВА) КАБИНА ОПЕРАТОРА И СИСТЕМА УПРАВЛЕНИЯ
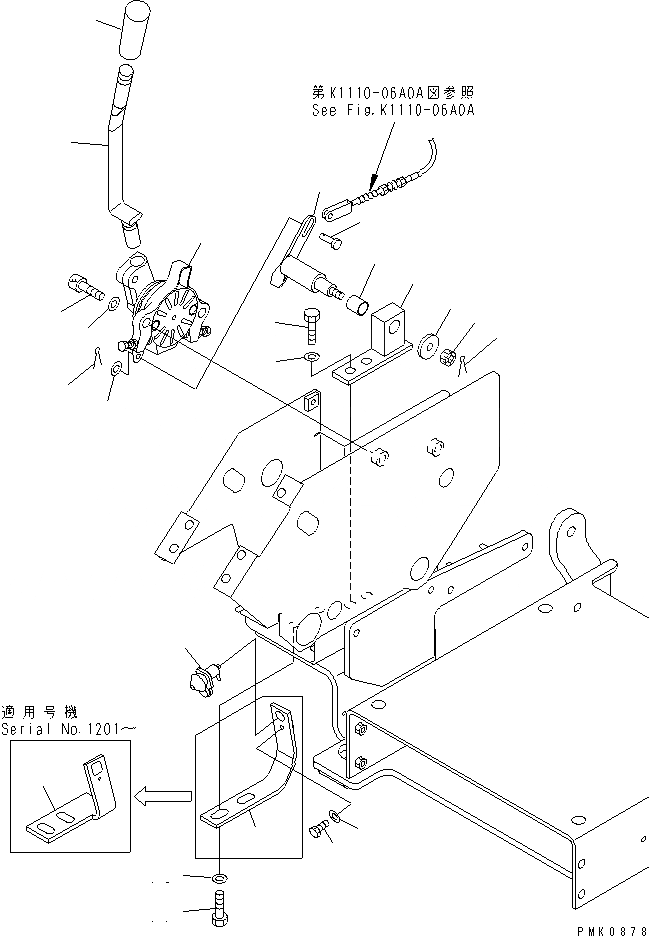
1
2
3
4
5
6
6A
7
8
9
10
11
12
13
14
15
16
16
17
18
19
20
21
FIT
1:1
100%

Артикул

Название

Примечание

Количество

1

21J-43-13370

LEVER

|1

20U-43-21261

LEVER

2

203-43-44360

KNOB

3

21J-43-11241

CLUTCH

|3

21J-43-11240

CLUTCH

|3

20U-43-21251

CLUTCH

4

01252-41025

BOLT

5

01643-31032

WASHER

6

04205-10622

PIN

6A

01643-30623

WASHER

7

04050-11612

PIN,COTTER

8

201-43-71340

BRACKET

9

01010-81040

BOLT

|9

01010-81030

BOLT

10

01643-31032

WASHER

11

201-43-71331

SHAFT

12

07177-00416

BUSHING

13

01590-30809

NUT

14

04050-12015

PIN,COTTER

15

113-43-23230

WASHER

16

21J-54-13471

BRACKET

|16

21J-54-13470

BRACKET

|16

21Y-54-13190

BRACKET

17

01010-81020

BOLT

18

01643-31032

WASHER

19

20T-06-71770

SWITCH,FUEL LEVER IDLE DETECTION

|19

20T-06-71520

SWITCH,FUEL LEVER IDLE DETECTION

20

20U-43-21360

SCREW

21

01641-20508

WASHER

Выбрано товаров: 29