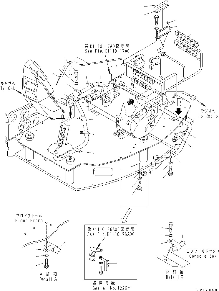
Запчасти Komatsu PW128UU-1 ОСНОВН. КОНСТРУКЦИЯ (ЭЛЕКТРОПРОВОДКА¤ /)(№-) КАБИНА ОПЕРАТОРА И СИСТЕМА УПРАВЛЕНИЯ

Схема запчастей Komatsu PW128UU-1 - ОСНОВН. КОНСТРУКЦИЯ (ЭЛЕКТРОПРОВОДКА¤ /)(№-) КАБИНА ОПЕРАТОРА И СИСТЕМА УПРАВЛЕНИЯ
1
1
1
2
3
3
4
5
5A
5A
5A
6
7
8
9
10
11
11
11
11
11
12
13
14
14
15
16
17
17
17A
18
19
FIT
1:1
100%

Артикул

Название

Примечание

Количество

1

21J-06-13167

WIRING HARNESS

2

21J-06-13332

PLATE,FUSE

3

08044-01500

BOX,FUSE

4

08041-00500

FUSE¤ 5A

|4

08041-01000

FUSE¤ 10A

|4

08041-01500

FUSE¤ 15A

|4

08041-02000

FUSE¤ 20A

|4

08041-03000

FUSE¤ 30A

5

04434-53411

CLIP

5A

208-06-19170

CLIP

6

01010-81020

BOLT

7

01643-31032

WASHER

8

141-06-11220

CLIP

9

01010-81020

BOLT

10

01643-31032

WASHER

11

04434-52310

CLIP

12

01010-81016

BOLT

13

01643-31032

WASHER

14

04434-51410

CLIP

15

01010-81020

BOLT

16

01643-31032

WASHER

17

08053-01510

CLIP

|17

08053-01510

CLIP

17A

21J-62-13880

BRACKET

18

01010-81016

BOLT

|18

01010-81016

BOLT

19

01643-31032

WASHER

|19

01643-31032

WASHER

Выбрано товаров: 0