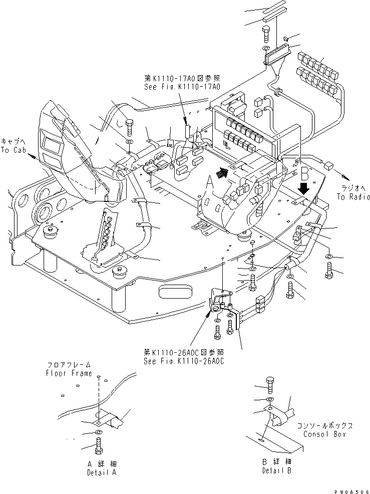
Запчасти Komatsu PW128UU-1 ОСНОВН. КОНСТРУКЦИЯ (ЭЛЕКТРОПРОВОДКА¤ /)(№-) КАБИНА ОПЕРАТОРА И СИСТЕМА УПРАВЛЕНИЯ

Схема запчастей Komatsu PW128UU-1 - ОСНОВН. КОНСТРУКЦИЯ (ЭЛЕКТРОПРОВОДКА¤ /)(№-) КАБИНА ОПЕРАТОРА И СИСТЕМА УПРАВЛЕНИЯ
1
1
1
2
3
3
4
5
6
7
8
8
8
9
10
11
12
13
14
14
14
14
15
16
17
18
19
20
21
22
23
24
25
FIT
1:1
100%

Артикул

Название

Примечание

Количество

1

21J-06-13169

WIRE

|1

21J-06-13168

WIRE

2

21J-06-13332

PLATE,FUSE

3

08044-01500

BOX,FUSE

4

08041-00500

FUSE¤ 5A

|4

08041-01000

FUSE¤ 10A

|4

08041-01500

FUSE¤ 15A

|4

08041-02000

FUSE¤ 20A

|4

08041-03000

FUSE¤ 30A

5

01010-81020

BOLT

6

01643-31032

WASHER

7

04434-53411

CLIP

8

208-06-19170

CLIP

9

01010-81020

BOLT

10

01643-31032

WASHER

11

141-06-11220

CLIP

12

01010-81020

BOLT

13

01643-31032

WASHER

14

04434-52310

CLIP

15

04434-53411

CLIP

16

01010-81016

BOLT

17

01643-31032

WASHER

18

04434-51410

CLIP

19

04434-52511

CLIP

20

01010-81020

BOLT

21

01643-31032

WASHER

22

08053-01510

CLIP

23

21J-62-18592

BRACKET

24

01010-81016

BOLT

25

01643-31032

WASHER

Выбрано товаров: 30