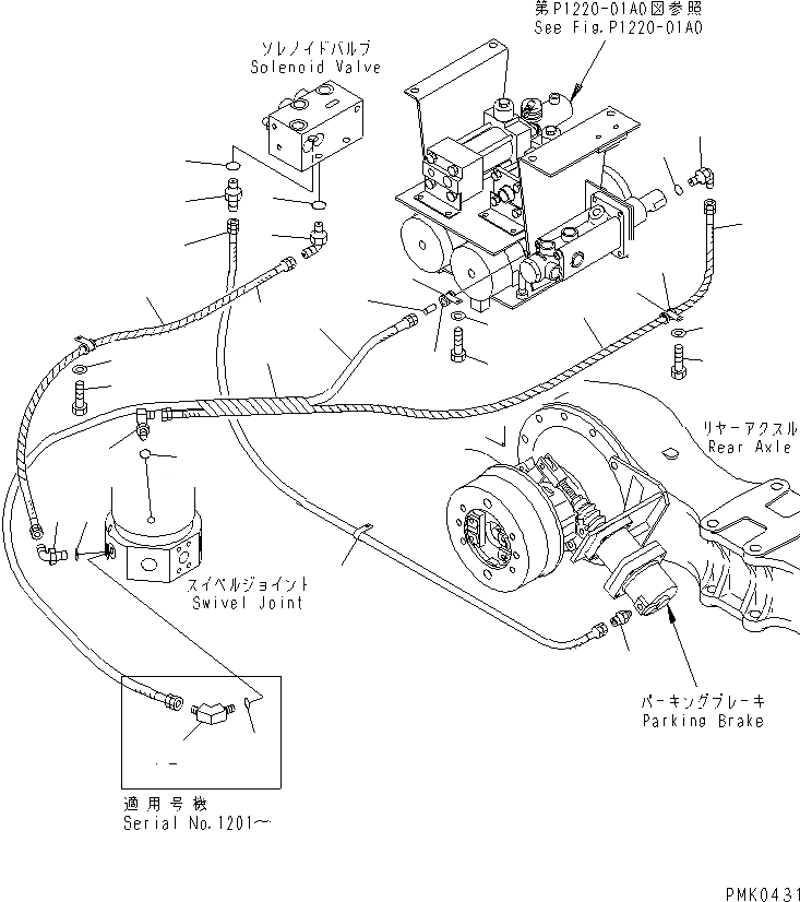
Запчасти Komatsu PW128UU-1 ТОРМОЗН. ГИДРОЛИНИЯ¤ НИЖН. (ГИДРАВЛ МАСЛ. ЛИНИЯ¤ /) НИЖНЯЯ ГИДРОЛИНИЯ И ЛИНИЯ ХОДА

Схема запчастей Komatsu PW128UU-1 - ТОРМОЗН. ГИДРОЛИНИЯ¤ НИЖН. (ГИДРАВЛ МАСЛ. ЛИНИЯ¤ /) НИЖНЯЯ ГИДРОЛИНИЯ И ЛИНИЯ ХОДА
1
1A
2
2
3
3
4
5
6
6A
6B
7
8
9
10
11
12
12
13
13
13
14
14A
15
15
16
16
17
18
19
20
21
FIT
1:1
100%

Артикул

Название

Примечание

Количество

1

07108-20209

HOSE

1A

08210-01808

SPIRAL TUBE

2

07235-10210

ELBOW

3

07002-21423

O-RING

4

07108-20215

HOSE Z0200

5

07102-20408

HOSE

6

08210-01814

SPIRAL TUBE

6A

08210-01810

SPIRAL TUBE

6B

04434-52112

CLIP

7

07095-20314

CUSHION

|7

04434-51512

CLIP

8

01010-81240

BOLT

|8

01010-81235

BOLT

|8

01010-81220

BOLT

9

01643-31232

WASHER

10

178-43-14320

SPACER

11

07235-50210

ELBOW

12

07236-10210

ELBOW

13

07002-21423

O-RING

|13

07002-11423

O-RING

14

04434-52112

CLIP

|14

04434-51412

CLIP

|14

04434-51412

CLIP

14A

07095-20314

CUSHION

15

01010-81220

BOLT

|15

01010-81220

BOLT

16

01643-31232

WASHER

|16

01643-31232

WASHER

17

21J-62-16691

HOSE

|17

21J-62-16690

HOSE

|17

07102-20310

HOSE

18

07230-20315

UNION

19

07002-22034

O-RING

|19

07002-12034

O-RING

20

176-62-15490

NIPPLE

21

04434-52212

CLIP

|21

04434-51712

CLIP

Выбрано товаров: 37