Запчасти Komatsu PW128UU-1 ПЕРЕДН. ПОДВЕСКА (ЦИЛИНДР И СОЕДИНИТЕЛЬН. ЗВЕНО) ПОДВЕСКА¤КОЛЕСА И КОМПОНЕНТЫ

Схема запчастей Komatsu PW128UU-1 - ПЕРЕДН. ПОДВЕСКА (ЦИЛИНДР И СОЕДИНИТЕЛЬН. ЗВЕНО) ПОДВЕСКА¤КОЛЕСА И КОМПОНЕНТЫ
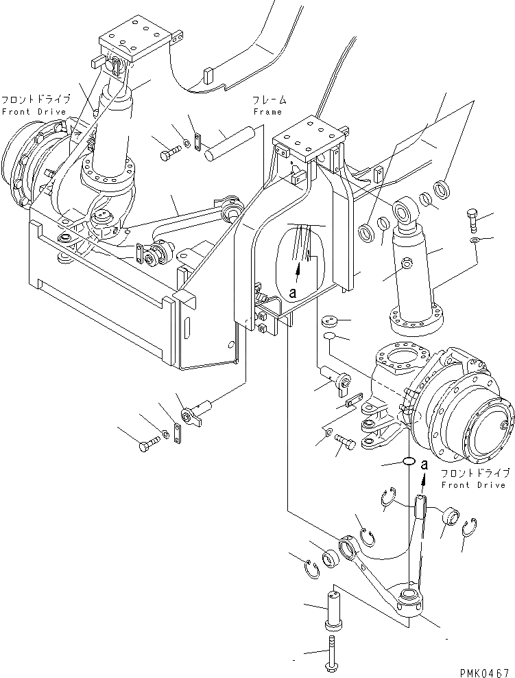
1
2
2A
2A
3
4
5
6
7
8
9
10
10
11
11
12
12
13
13
13
13
14
14
15
15
16
16
17
18
18
18A
19
20
21
FIT
1:1
100%

Артикул

Название

Примечание

Количество

1

21J-63-X9040

CYLINDER ASS'Y

|1

21J-63-02063

CYLINDER ASS'Y

|1

21J-63-02062

CYLINDER ASS'Y,(SEE FIG.Y1625-01A0)

2

21J-63-X9050

CYLINDER ASS'Y

|2

21J-63-02073

CYLINDER ASS'Y

|2

21J-63-02072

CYLINDER ASS'Y,(SEE FIG.Y1625-01A0)

2A

07221-20522

NUT

3

21J-40-11250

BOLT

4

01643-51645

WASHER

5

21J-40-11111

ARM,L.H.

|5

21J-40-11110

ARM,L.H.

6

21J-40-11122

ARM,R.H.

|6

21J-40-11121

ARM,R.H.

7

21J-40-11131

PIN

|7

21J-40-11130

PIN

8

21J-40-11191

PLATE

|8

21J-40-11190

PLATE

9

01438-11265

BOLT

|9

01438-11060

BOLT

10

07000-03045

O-RING

11

21J-40-11231

PIN

12

21J-40-11220

BUSHING

13

04065-06525

RING

14

20R-70-11250

PLATE

15

01010-81225

BOLT

16

01643-31232

WASHER

17

20G-47-13170

PIN

18

23S-50-12130

SPACER

18A

21J-47-11570

BUSHING

19

04082-00212

LOCK

20

01010-81225

BOLT

21

01643-51232

WASHER

Выбрано товаров: 32