Качественные детали и логистика
Оригинальные и аналоговые запчасти с доставкой по России, Казахстану и Беларуси
©2022 PartSell ООО "Система" ИНН 2463123282 ОГРН 1212400004838
Центральный офис: г. Красноярск, Академика Киренского, д.87, пом.4
Телефон: 8 (800) 777-65-74 Email: zakaz@partsell.ru
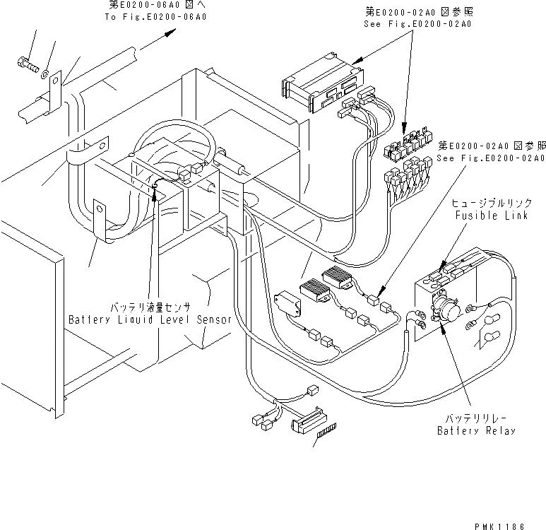
ЭЛЕКТР. (НИЖН.) (ОСНОВН. Э/ПРОВОДКА¤ /)(№-)
№
Артикул
Название
Примечание
Количество
1
21J-06-11413
WIRING HARNESS
2
21J-06-11660
PLATE¤ MARK
3
08038-00519
CAP
4
23S-61-12230
CLIP
5
01010-81225
BOLT
6
01643-31232
WASHER
Выбрано товаров: 0