Запчасти Komatsu PW128UU-1 2-СЕКЦИОНН. СТРЕЛА (1-Я СТРЕЛА НАВЕСНОЕ ОБОРУД-Е И КРЕПЛЕНИЕ)(ДЛЯ -ACTUATER НАВЕСН. ОБОРУД)(№-) РАБОЧЕЕ ОБОРУДОВАНИЕ

Схема запчастей Komatsu PW128UU-1 - 2-СЕКЦИОНН. СТРЕЛА (1-Я СТРЕЛА НАВЕСНОЕ ОБОРУД-Е И КРЕПЛЕНИЕ)        (ДЛЯ -ACTUATER НАВЕСН. ОБОРУД)(№-) РАБОЧЕЕ ОБОРУДОВАНИЕ
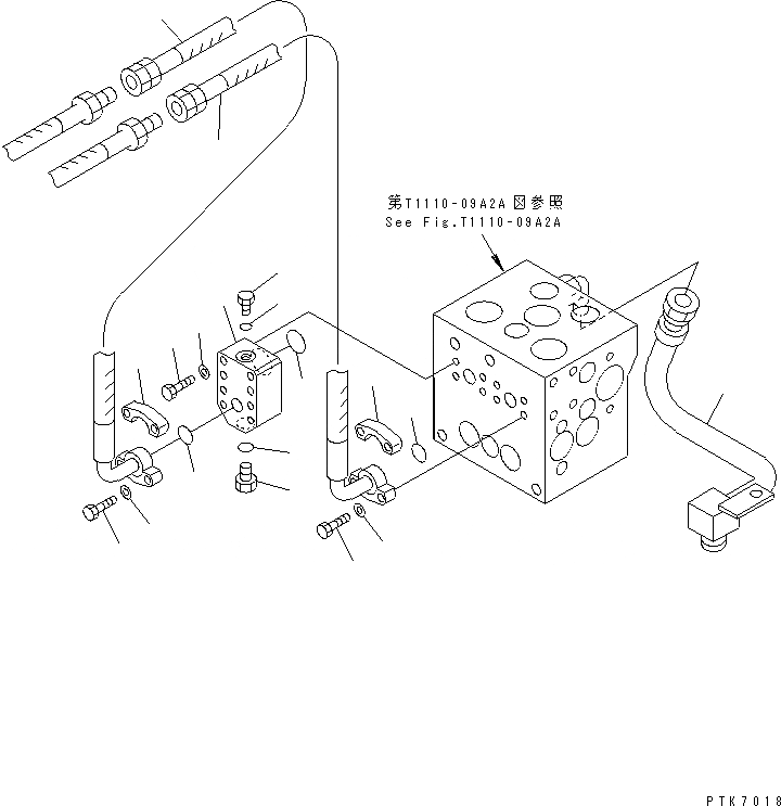
1
2
3
4
5
6
7
8
9
9
10
11
12
12
13
13
14
14
15
FIT
1:1
100%

Артикул

Название

Примечание

Количество

1

21J-973-2311

BLOCK

2

07372-21060

BOLT

3

01643-51032

WASHER

4

07000-B3030

O-RING

5

07040-12012

PLUG

6

07002-22034

O-RING

7

07040-11007

PLUG

8

07002-21023

O-RING

9

07000-B3025

O-RING

10

21J-973-1552

HOSE

11

21J-973-1562

HOSE

12

07372-21035

BOLT

13

07371-30640

FLANGE

14

01643-51032

WASHER

15

21J-973-2330

TUBE

Выбрано товаров: 15