Запчасти Komatsu PW128UU-1 ЦИЛИНДР СТРЕЛЫ(ВНУТР. ЧАСТИ) (ДЛЯ MONO СТРЕЛА) ОСНОВН. КОМПОНЕНТЫ И РЕМКОМПЛЕКТЫ

Схема запчастей Komatsu PW128UU-1 - ЦИЛИНДР СТРЕЛЫ(ВНУТР. ЧАСТИ) (ДЛЯ MONO СТРЕЛА) ОСНОВН. КОМПОНЕНТЫ И РЕМКОМПЛЕКТЫ
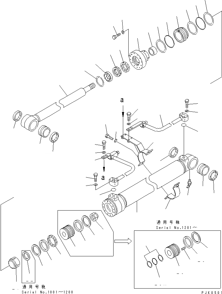
1
2
3
3
4
5
6
7
7
8
9
10
11
12
13
14
15
16
17
18
19
20
20
21
22
23
23
23A
23B
24
25
25
25
26
26
26
27
27
28
29
30
30
31
31
32
32
33
34
35
36
37
37
38
38
FIT
1:1
100%

Артикул

Название

Примечание

Количество

G1

21J-63-X2400

CYLINDER GROUP,BOOM L.H.

|G1

21J-63-X2202

CYLINDER GROUP,BOOM L.H.

|G1

21J-63-X2410

CYLINDER GROUP,BOOM R.H.

|G1

21J-63-X2212

CYLINDER GROUP,BOOM R.H.

|1

21J-63-02400

CYLINDER ASS'Y,BOOM

|1

21J-63-02202

CYLINDER ASS'Y,BOOM

1

21J-63-53140

CYLINDER

|1

202-63-54741

CYLINDER

2

707-76-70230

BUSHING

3

07145-00070

SEAL,DUST (KIT)

4

07020-00675

FITTING,GREASE

5

707-71-32370

COLLAR

|5

707-71-32350

COLLAR

6

07000-15085

O-RING (KIT)

|6

07000-15090

O-RING (KIT)

7

707-35-90970

RING,BACK-UP

|7

07001-05090

RING,BACK-UP

8

707-27-95921

HEAD,CYLINDER

|8

707-27-95620

HEAD,CYLINDER

9

707-52-90420

BUSHING

|9

707-52-90400

BUSHING

10

707-51-65030

PACKING,ROD (KIT)

11

707-51-65630

RING,BUFFER (KIT)

12

07000-15085

O-RING (KIT)

|12

07000-15090

O-RING (KIT)

13

707-35-90970

RING,BACK-UP (KIT)

|13

07001-05090

RING,BACK-UP (KIT)

14

144-63-92170

SEAL,DUST (KIT)

15

07179-12079

RING,SNAP

16

01010-81465

BOLT

17

705-17-04980

WASHER

18

21J-63-53120

ROD

|18

21J-63-52520

ROD

19

707-76-70230

BUSHING

20

07145-00070

SEAL,DUST (KIT)

21

707-71-70600

PLUNGER

|21

707-71--0680

PLUNGER

22

707-41-10190

WASHER

23

707-36-95531

PISTON

|23

707-36-95410

PISTON

23A

707-34-55020

O-RING (KIT)

23B

707-35-90610

RING,BACK-UP (KIT)

24

707-44-95180

RING,PISTON (KIT)

25

707-39-95120

RING,WEAR (KIT)

26

707-44-95911

RING

27

01310-01016

SCREW

|27

07165-14547

NUT,NYLON

28

21J-63-53170

TUBE,L.H.

|28

21J-63-52571

TUBE,L.H.

|28

21J-63-53270

TUBE,R.H.

|28

21J-63-52671

TUBE,R.H.

29

21J-63-52580

TUBE,L.H.

|29

21J-63-52680

TUBE,R.H.

30

07000-13025

O-RING (KIT)

31

01010-80850

BOLT

32

01643-50823

WASHER

33

707-88-96950

BAND

34

21J-63-52590

BRACKET

35

01010-81035

BOLT

36

01643-51032

WASHER

37

01010-81030

BOLT

38

01643-31032

WASHER

KIT

707-99-25840

SERVICE KIT,BOOM CYLINDER

|KIT

707-99-25820

SERVICE KIT,BOOM CYLINDER

Выбрано товаров: 64