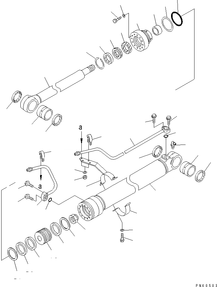
Запчасти Komatsu PW128UU-1 ЦИЛИНДР 2-Й СТРЕЛЫ (ВНУТР. ЧАСТИ) (ДЛЯ 2-СЕКЦИОНН. СТРЕЛЫ)(№-) ОСНОВН. КОМПОНЕНТЫ И РЕМКОМПЛЕКТЫ

Схема запчастей Komatsu PW128UU-1 - ЦИЛИНДР 2-Й СТРЕЛЫ (ВНУТР. ЧАСТИ) (ДЛЯ 2-СЕКЦИОНН. СТРЕЛЫ)(№-) ОСНОВН. КОМПОНЕНТЫ И РЕМКОМПЛЕКТЫ
1
2
3
3
4
5
6
7
7
8
9
10
11
12
13
14
15
16
17
18
19
20
20
21
21
22
23
24
25
25
26
26
27
27
28
29
30
31
32
32
33
34
FIT
1:1
100%

Артикул

Название

Примечание

Количество

G1

21J-63-X2320

CYLINDER GROUP,2ND BOOM

|1

21J-63-02320

CYLINDER ASS'Y

1

21J-63-52340

CYLINDER,BOOM

2

707-76-80010

BUSHING

3

07145-00080

SEAL,DUST (KIT)

4

07020-00900

FITTING

5

21J-63-52320

ROD,PISTON

6

707-76-80010

BUSHING

7

07145-00080

SEAL,DUST (KIT)

8

707-27-13710

HEAD,CYLINDER

9

07179-13094

RING,SNAP

10

195-63-92190

SEAL,DUST (KIT)

11

707-52-90550

BUSHING

12

707-51-80030

PACKING,ROD (KIT)

13

07000-15125

O-RING (KIT)

14

07001-05125

RING,BACK-UP (KIT)

15

707-51-80630

RING,BUFFER (KIT)

16

01010-81670

BOLT

17

01643-51645

WASHER

18

707-36-13330

PISTON

19

707-44-13180

RING,PISTON (KIT)

20

707-39-13110

RING,WEAR (KIT)

21

707-44-13911

RING

22

07165-15860

NUT

23

21J-63-52370

TUBE

24

21J-63-52380

TUBE

25

01435-01055

BOLT

26

01435-01040

BOLT

27

07000-13030

O-RING (KIT)

28

21J-63-52390

BRACKET

29

707-88-95081

BAND

30

01010-51035

BOLT

31

01643-51032

WASHER

32

07283-32236

CLIP

33

01599-01011

NUT

34

01643-31032

WASHER

KIT

707-98-45720

SERVICE KIT,2ND BOOM

Выбрано товаров: 37