Запчасти Komatsu PW130-6K РАСПРЕДЕЛИТ. КЛАПАН (ПЕРЕД. И РЕВЕРС КЛАПАН ТРУБЫ) ГИДРАВЛИКА

Схема запчастей Komatsu PW130-6K - РАСПРЕДЕЛИТ. КЛАПАН (ПЕРЕД. И РЕВЕРС КЛАПАН ТРУБЫ) ГИДРАВЛИКА
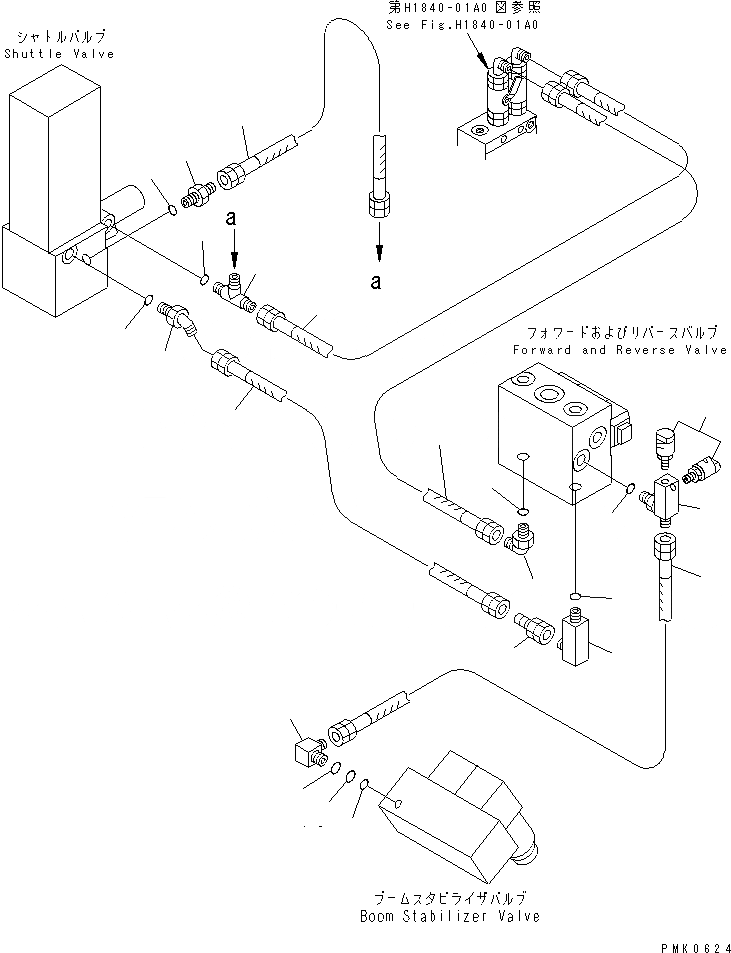
1
2
3
4
5
6
7
8
9
10
11
12
13
14
15
16
17
18
19
20
21
22
23
FIT
1:1
100%

Артикул

Название

Примечание

Количество

1

07236-10210

ELBOW

2

07002-01423

O-RING

3

07102-20203

HOSE

4

208-62-18190

ELBOW

5

07002-01423

O-RING

6

07230-20210

UNION

7

07002-01423

O-RING

8

07102-20203

HOSE

9

208-62-17550

TEE

10

07002-01423

O-RING

11

07102-20204

HOSE

12

07235-10210

ELBOW

13

07002-01423

O-RING

14

20Y-62-22271

ELBOW

15

201-60-11390

O-RING

16

20Y-62-19560

O-RING

17

07002-01423

O-RING

18

201-62-73360

HOSE¤ 620MM

19

20E-62-K4890

ADAPTER

20

07002-01423

O-RING

21

20Y-06-21710

SWITCH

22

07102-20205

HOSE

23

20G-62-15760

NIPPLE

Выбрано товаров: 23