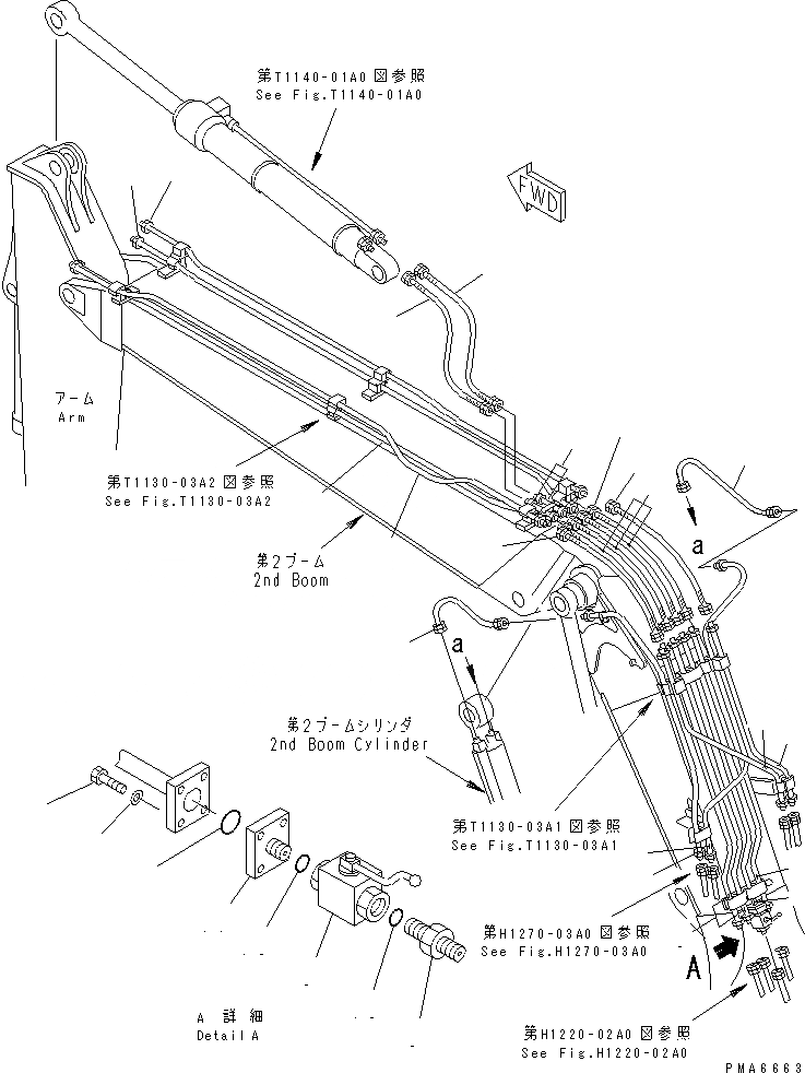
Запчасти Komatsu PW130-6K 2-СЕКЦИОНН. СТРЕЛА (ГИДРАВЛ ГИДРОЛИНИЯ СТРЕЛЫ) РАБОЧЕЕ ОБОРУДОВАНИЕ

Схема запчастей Komatsu PW130-6K - 2-СЕКЦИОНН. СТРЕЛА (ГИДРАВЛ ГИДРОЛИНИЯ СТРЕЛЫ) РАБОЧЕЕ ОБОРУДОВАНИЕ
1
2
3
4
5
6
7
8
9
10
11
12
13
14
15
16
16
17
18
19
19
20
20
21
22
23
24
25
FIT
1:1
100%

Артикул

Название

Примечание

Количество

1

20E-62-K1562

TUBE

2

20E-62-K1552

TUBE

3

20E-62-K1520

TUBE

4

20E-62-K1530

TUBE

5

20E-62-K1540

TUBE

6

20E-62-K1570

TUBE,(FOR ATTACHMENT)

7

20E-62-K1580

TUBE,(FOR ATTACHMENT)

8

20G-60-K1740

VALVE,LOCK

9

07230-20522

UNION

10

07002-12434

O-RING

11

21K-62-34310

FLANGE

12

07000-13030

O-RING

13

07372-21035

BOLT

14

01643-51032

WASHER

15

07002-12434

O-RING

16

20E-62-K5020

HOSE

17

20E-62-K5010

HOSE

18

203-62-K2980

HOSE

19

20E-62-K5570

HOSE

20

20G-62-K5250

HOSE

21

20E-62-K1620

TUBE

22

20E-62-K1640

TUBE

23

20E-62-K1630

TUBE

24

20E-62-K1660

TUBE,(FOR ATTACHMENT)

25

20E-62-K1650

TUBE,(FOR ATTACHMENT)

Выбрано товаров: 25