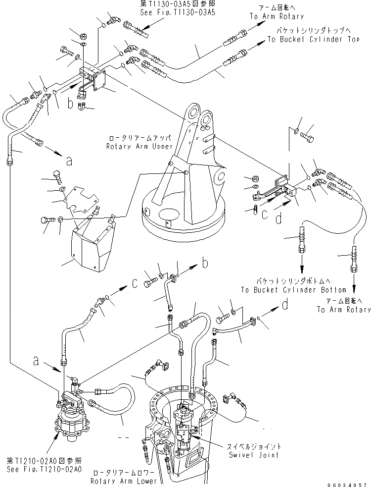
Запчасти Komatsu PW130-7K ПОВОРОТН. РУКОЯТЬ (РУКОЯТЬ ТРУБЫ ЛИНИЯ) РАБОЧЕЕ ОБОРУДОВАНИЕ

Схема запчастей Komatsu PW130-7K - ПОВОРОТН. РУКОЯТЬ (РУКОЯТЬ ТРУБЫ ЛИНИЯ) РАБОЧЕЕ ОБОРУДОВАНИЕ
1
2
3
3
4
4
5
5
5
5
5
6
6
6
6
6
7
8
9
10
11
12
13
14
15
15
16
16
17
17
18
18
19
19
20
20
21
21
22
23
24
25
26
27
28
29
30
31
32
33
34
35
35
36
37
FIT
1:1
100%

Артикул

Название

Примечание

Количество

1

20E-966-K431

BRACKET,R.H.

2

20E-966-K421

BRACKET,L.H.

3

01010-81230

BOLT

4

01643-312320

WASHER

5

07236-10315

ELBOW

6

07002-12034

O-RING

7

07230-20315

UNION

8

07002-02034

O-RING

9

07236-10522

ELBOW

10

07002-12434

O-RING

11

07236-10422

ELBOW

12

07002-12034

O-RING

13

20E-966-K390

TUBE

14

20E-966-K410

TUBE

15

01010-80835

BOLT

16

01643-50823

WASHER

17

07000-13030

O-RING

18

07283-22244

CLIP

19

01599-01011

NUT

20

01643-31032

WASHER

21

20E-966-K240

HOSE

22

07102-20204

HOSE

23

07102-20306

HOSE

24

07103-20207

HOSE

25

20E-966-K290

HOSE

26

20E-966-K260

HOSE

27

202-966-7321

COVER

28

01010-81220

BOLT

29

01643-31232

WASHER

30

202-966-7291

PLATE

31

01010-81220

BOLT

32

01643-31232

WASHER

33

20E-966-K270

HOSE

34

20E-966-K310

HOSE

35

20E-966-K230

HOSE

36

20E-966-K250

HOSE

37

20E-966-K280

HOSE

Выбрано товаров: 37