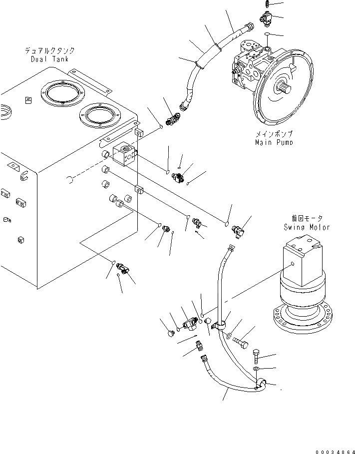
Запчасти Komatsu PW130-7K РАБОЧЕЕ ОБОРУДОВАНИЕ ЛИНИЯ (ВОЗВРАТН. ЛИНИЯ) ГИДРАВЛИКА

Схема запчастей Komatsu PW130-7K - РАБОЧЕЕ ОБОРУДОВАНИЕ ЛИНИЯ (ВОЗВРАТН. ЛИНИЯ) ГИДРАВЛИКА
1
2
3
3
4
4
5
6
7
8
8
9
9
10
10
11
12
13
14
15
16
16
17
18
19
20
21
22
23
24
25
26
27
28
29
30
31
32
32
FIT
1:1
100%

Артикул

Название

Примечание

Количество

1

20Y-62-15660

ADAPTER

2

07002-12034

O-RING

3

07040-12012

PLUG

4

07002-12034

O-RING

5

07230-20422

UNION

6

07002-12034

O-RING

7

07102-20415

HOSE

8

20Y-62-15951

CLIP

9

01643-31232

WASHER

10

01010-81230

BOLT

11

20Y-62-17710

ELBOW

12

07002-12434

O-RING

13

20B-27-11210

BLEEDER

14

07102-20606

HOSE

15

203-62-41150

COVER

16

08034-00536

BAND

17

07235-10628

ELBOW

18

07002-12434

O-RING

19

203-62-32950

ELBOW

20

07002-12434

O-RING

21

02781-00315

UNION

22

07002-12034

O-RING

23

02896-11009

O-RING

24

02782-10315

ELBOW

25

07002-12034

O-RING

26

02896-11009

O-RING

27

02782-10423

ELBOW

28

07002-12034

O-RING

29

02896-11012

O-RING

30

20G-62-33690

TEE

31

07002-12034

O-RING

32

02896-11009

O-RING

Выбрано товаров: 0