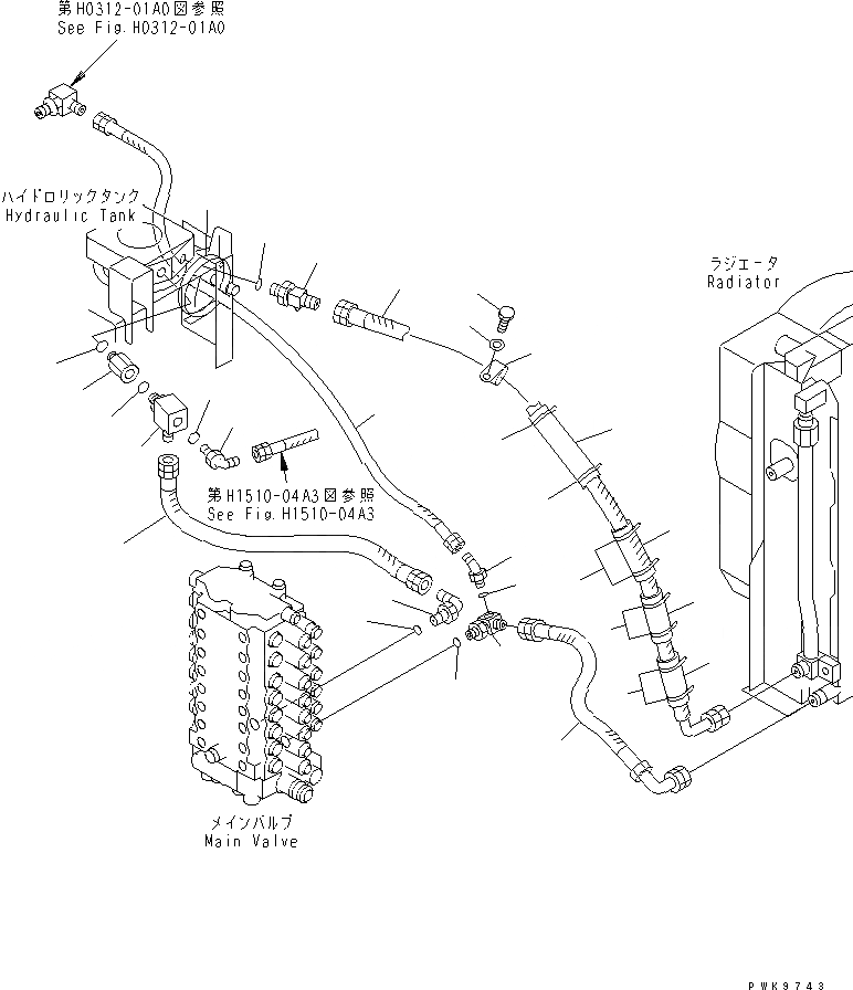
Запчасти Komatsu PW130ES-6K ЛИНИЯ МАСЛООХЛАДИТЕЛЯ(ИТАЛИЯ СПЕЦ-Я.) ГИДРАВЛИКА

Схема запчастей Komatsu PW130ES-6K - ЛИНИЯ МАСЛООХЛАДИТЕЛЯ(ИТАЛИЯ СПЕЦ-Я.) ГИДРАВЛИКА
1
2
2
2
3
3
3
3
4
5
6
7
8
9
10
11
12
13
14
15
16
17
18
19
20
21
22
23
24
25
26
FIT
1:1
100%

Артикул

Название

Примечание

Количество

1

20E-62-K6130

HOSE¤ 1270MM

2

205-62-53780

COVER

3

08034-00536

BAND

4

203-62-52210

RUBBER

5

08034-00536

BAND

6

281-01-13180

CLIP

7

01010-81230

BOLT

8

01643-31232

WASHER

9

07235-10628

ELBOW

10

07002-12434

O-RING

11

203-62-59160

HOSE¤ 560MM

12

20E-62-K6110

TEE

13

07002-03334

O-RING

14

203-62-65130

ELBOW

15

07002-13334

O-RING

16

07236-10522

ELBOW

17

07002-12434

O-RING

18

07102-20511

HOSE

19

203-62-61421

HOSE

20

08034-00519

BAND

21

20G-62-K6130

ADAPTER

22

07002-12434

O-RING

23

20E-62-K7990

ELBOW

|23

207-62-62860

ELBOW

24

07002-12034

O-RING

|24

07002-12434

O-RING

25

07235-10315

ELBOW

|25

114-62-23210

ELBOW

26

07002-02034

O-RING

Выбрано товаров: 29