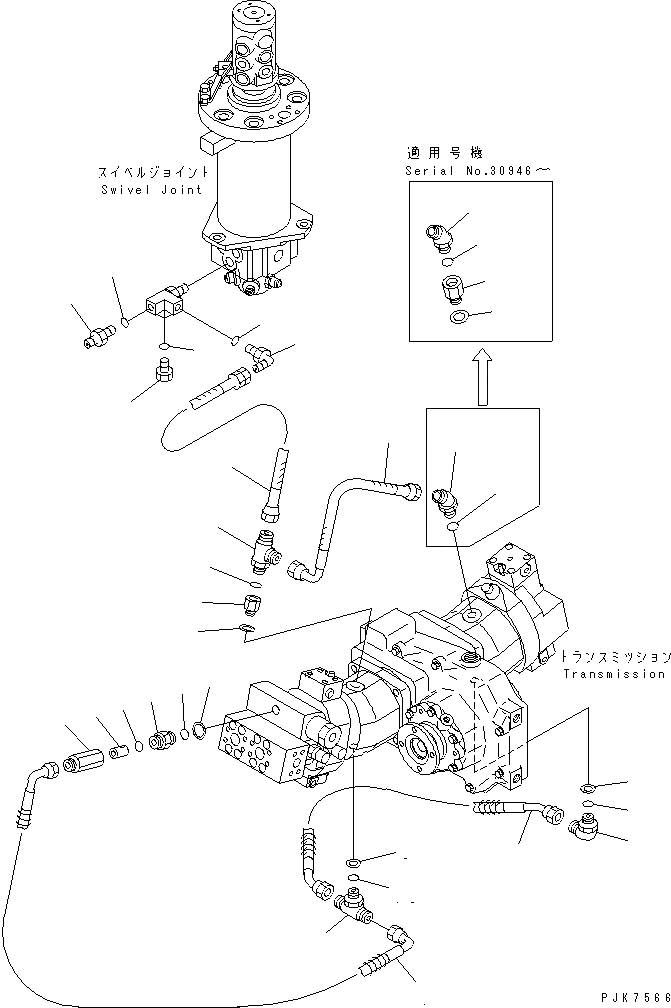
Запчасти Komatsu PW130ES-6K ЛИНИЯ ХОДА (ДРЕНАЖН.) ( KPH ХОД) НИЖНЯЯ ГИДРОЛИНИЯ И ЛИНИЯ ХОДА

Схема запчастей Komatsu PW130ES-6K - ЛИНИЯ ХОДА (ДРЕНАЖН.) ( KPH ХОД) НИЖНЯЯ ГИДРОЛИНИЯ И ЛИНИЯ ХОДА
1
2
3
4
5
6
7
8
9
10
11
12
13
14
15
16
16
16A
16B
17
17
18
19
20
21
22
23
24
25
26
26
27
FIT
1:1
100%

Артикул

Название

Примечание

Количество

1

20G-62-K8221

HOSE

2

20E-62-K4510

NIPPLE

3

20E-62-K4530

WASHER

4

20E-62-K4540

O-RING

5

20G-62-K8210

BODY

6

20E-62-K4971

VALVE

7

07002-12034

O-RING

|7

07002-02034

O-RING

8

20E-62-K4981

TEE

9

20E-62-K4320

WASHER

10

20E-62-K4340

O-RING

11

20E-62-K4681

HOSE

12

20E-62-K4710

ELBOW

13

20E-62-K4320

WASHER

14

20E-62-K4340

O-RING

15

07102-20305

HOSE

|15

07102-20308

HOSE

16

07236-10315

ELBOW

|16

20R-62-21131

ELBOW

16A

20G-62-K2992

ADAPTOR

16B

20G-62-K1370

WASHER

17

07002-12034

O-RING

|17

07002-02034

O-RING

18

209-62-57210

TEE

19

07002-12034

O-RING

|19

07002-02034

O-RING

20

20G-62-K2992

ADAPTOR

21

20G-62-K1370

WASHER

22

07102-20305

HOSE

23

07235-10315

ELBOW

24

07002-12034

O-RING

|24

07002-02034

O-RING

25

07040-12012

PLUG

26

07002-12034

O-RING

27

07230-20315

UNION

Выбрано товаров: 35