Запчасти Komatsu PW130ES-6K ЛИНИЯ ХОДА (ДРЕНАЖН.) (-KPH ХОД) ( KPH ХОД)(№K-) НИЖНЯЯ ГИДРОЛИНИЯ И ЛИНИЯ ХОДА

Схема запчастей Komatsu PW130ES-6K - ЛИНИЯ ХОДА (ДРЕНАЖН.) (-KPH ХОД) ( KPH ХОД)(№K-) НИЖНЯЯ ГИДРОЛИНИЯ И ЛИНИЯ ХОДА
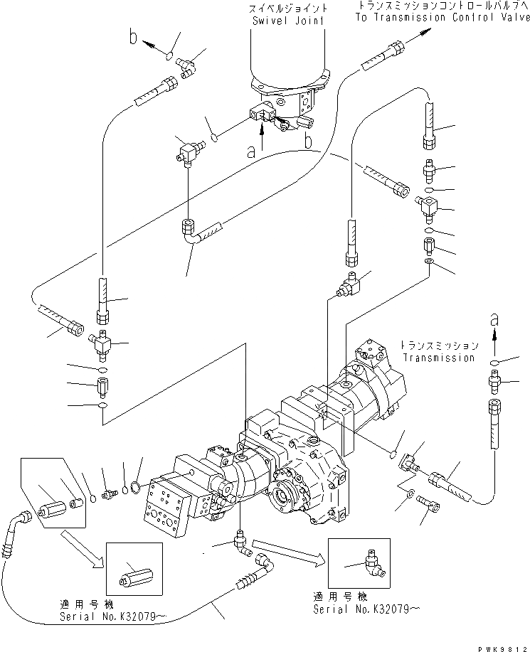
1
2
3
4
5
5
6
7
8
8
9
10
11
12
13
14
15
16
17
18
19
20
21
22
23
24
25
26
27
28
29
30
31
32
33
34
FIT
1:1
100%

Артикул

Название

Примечание

Количество

1

20G-62-K8221

HOSE

2

20E-62-K4510

NIPPLE

3

20E-62-K4530

WASHER

4

20E-62-K4540

O-RING

5

20J-62-K1010

BODY

|5

20G-62-K8210

BODY

6

20E-62-K4971

VALVE

7

07002-02034

O-RING

8

20J-62-K1030

ELBOW

|8

20J-62-K1020

ELBOW

|8

20E-62-K7260

ELBOW

|8

20E-62-K4340

O-RING

|8

20E-62-K4320

WASHER

9

20E-62-K7250

TEE

10

07002-02034

O-RING

11

20G-62-K2992

ADAPTOR

12

20G-62-K1370

WASHER

13

07102-20405

HOSE

14

07235-10422

ELBOW

15

07002-02034

O-RING

16

07102-20408

HOSE

17

20E-62-K7310

TEE

18

07002-02034

O-RING

19

07230-20210

UNION

20

07002-11423

O-RING

21

20G-62-K7231

ADAPTER

22

20G-62-K7240

WASHER

23

20G-62-K7810

HOSE

24

20G-62-K7750

ELBOW

25

20G-62-K7530

ADAPTER

26

07000-E2012

O-RING

27

01252-40516

BOLT

28

01641-20508

WASHER

29

07102-20304

HOSE

30

07230-20315

UNION

31

07002-02034

O-RING

32

209-62-57210

TEE

33

07002-02034

O-RING

34

07102-20308

HOSE

Выбрано товаров: 0