Запчасти Komatsu PW130ES-6K ШАССИ РАМА(№K-K999) SUSPENTION И КОЛЕСА

Схема запчастей Komatsu PW130ES-6K - ШАССИ РАМА(№K-K999) SUSPENTION И КОЛЕСА
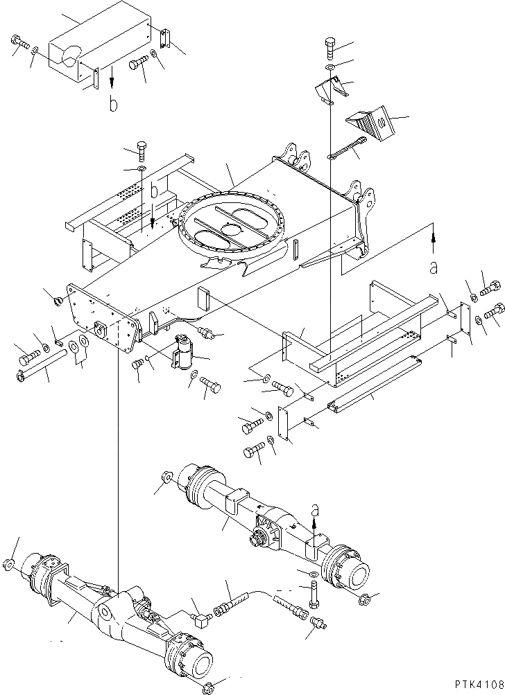
1
2
3
4
5
6
6
7
7
7
7
8
8
8
8
9
10
11
12
13
14
14
15
16
17
18
19
20
21
22
23
24
25
25
26
27
28
29
30
31
32
33
34
35
36
36
37
37
38
39
39
39
40
40
40
40
FIT
1:1
100%

Артикул

Название

Примечание

Количество

1

20E-47-K1119

FRAME,CHASSIS

|1

20E-47-K1118

FRAME,CHASSIS

2

20G-47-K3211

STEP

3

01010-81630

BOLT

4

01643-31645

WASHER

5

20E-47-K1221

PLATE

6

20E-47-K1241

SHEET,STEP

7

01010-81240

BOLT

8

01643-31232

WASHER

9

20E-47-K1531

STOPPER,WHEEL

10

20E-47-K1541

BRACKET

11

01010-80820

BOLT

12

01643-30823

WASHER

13

20E-23-K1112

FRONT AXLE ASS'Y

|13

20E-23-K1111

FRONT AXLE ASS'Y

14

20E-22-K1150

NUT,WHEEL

15

20E-47-K1150

PIN

16

20E-47-K1520

SPACER¤ 0.5MM,0.5MM

|16

20E-47-K1510

SPACER¤ 1.0MM,1.0MM

17

205-70-66580

PLATE

18

01010-81230

BOLT

19

01643-31232

WASHER

20

20E-23-K1120

HOSE

21

20E-23-K1130

ELBOW

22

205-70-51390

NIPPLE

23

07020-00000

FITTING,GREASE

24

20E-22-K1112

REAR AXLE ASS'Y

|24

20E-22-K1111

REAR AXLE ASS'Y

25

20E-22-K1150

NUT,WHEEL

26

20E-47-K1262

BOLT

27

01643-32060

WASHER

28

20E-61-K1111

CYLINDER ASS'Y,SUSPENSION LOCK

29

01010-82060

BOLT

30

01643-32060

WASHER

31

07040-12012

PLUG

32

07002-12034

O-RING

33

20E-54-K2320

STRAP ASS'Y

34

20E-47-K1731

PLUG

35

20E-54-K2570

CASE ASS'Y

36

20E-54-K2430

BRACKET

37

01010-80825

BOLT

38

01010-80820

BOLT

39

01643-30823

WASHER

40

20E-47-K1230

PLATE

Выбрано товаров: 44