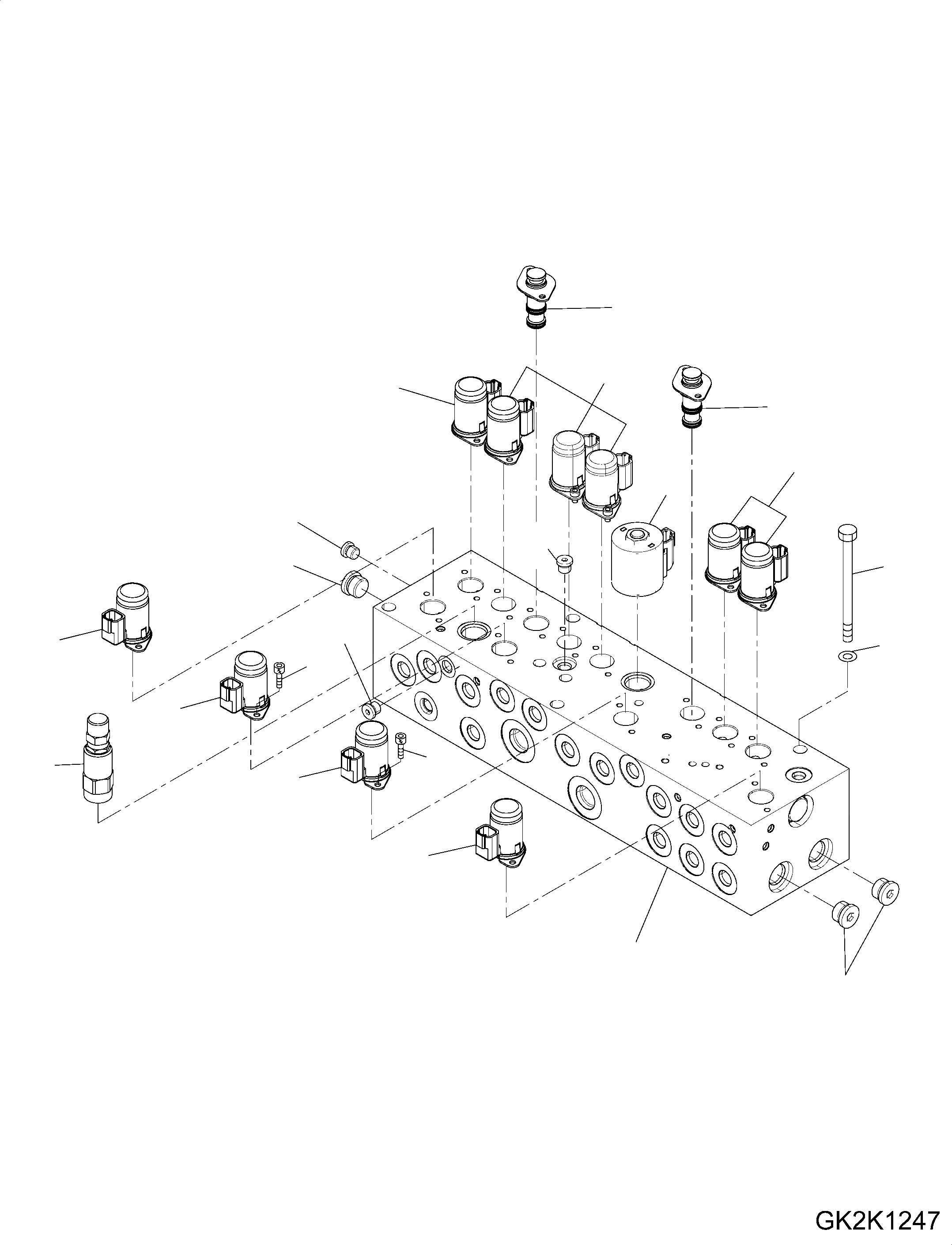
Запчасти Komatsu PW140-7 PPC СОЛЕНОИДНЫЙ КЛАПАН (КЛАПАН И ЭЛЕМЕНТЫ КРЕПЛЕНИЯ) H ГИДРАВЛИКА

Схема запчастей Komatsu PW140-7 - PPC СОЛЕНОИДНЫЙ КЛАПАН (КЛАПАН И ЭЛЕМЕНТЫ КРЕПЛЕНИЯ) H ГИДРАВЛИКА
7
2
4
8
4
9
4
5
4
3
6
2
4
1
11
12
13
10
10
11
10
FIT
1:1
100%

Артикул

Название

Примечание

Количество

1

20E-60-41112

SOLENOID ASSEMBLY

2

20G-60-31481

VALVE

3

01252-60510

SCREW

4

20G-60-31451

VALVE

5

01252-60510

SCREW

6

20G-60-31470

VALVE, RELIEF

KIT

20G-60-H0P05

SEAL KIT

7

20G-60-31190

PLUG

8

20J-60-31230

PLUG

9

20E-60-41120

VALVE

10

20E-60-H0P02

PLUG

11

20E-60-H0P02

PLUG

12

20J-62-12580

BOLT

13

01643-51032

WASHER

Выбрано товаров: 14