Качественные детали и логистика
Оригинальные и аналоговые запчасти с доставкой по России, Казахстану и Беларуси
©2022 PartSell ООО "Система" ИНН 2463123282 ОГРН 1212400004838
Центральный офис: г. Красноярск, Академика Киренского, д.87, пом.4
Телефон: 8 (800) 777-65-74 Email: zakaz@partsell.ru
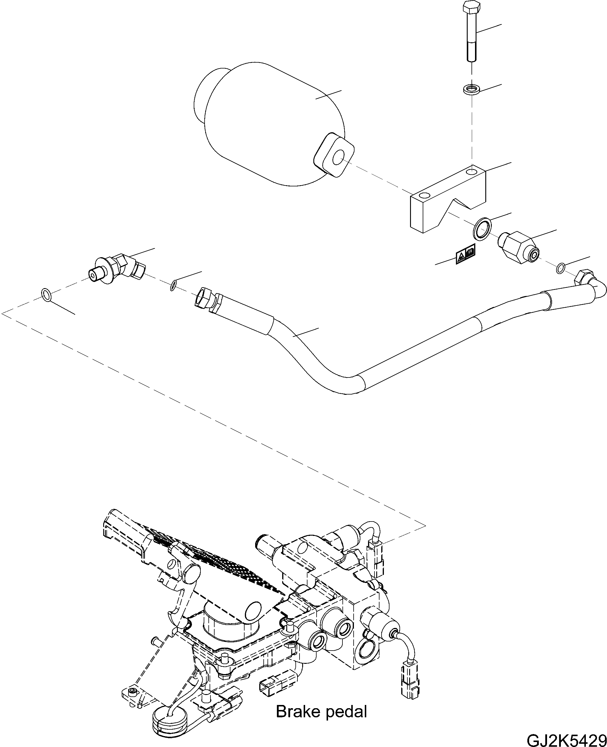
PARK ТОРМОЗ. АККУМУЛЯТОР (ДЛЯ ITALY)
№
Артикул
Название
Примечание
Количество
1
01010-81065
BOLT
2
01643-51032
WASHER
3
02766-00306
HOSE
4
02896-11009
O-RING
5
07002-11423
6
11Y-62-12510
ELBOW
7
20E-00-K1210
PLATE, CAUTION
8
20E-60-K4741
ACCUMULATOR
9
20G-62-K1370
10
20K-54-21641
CLAMP
11
20K-62-35190
ADAPTER
Выбрано товаров: 0