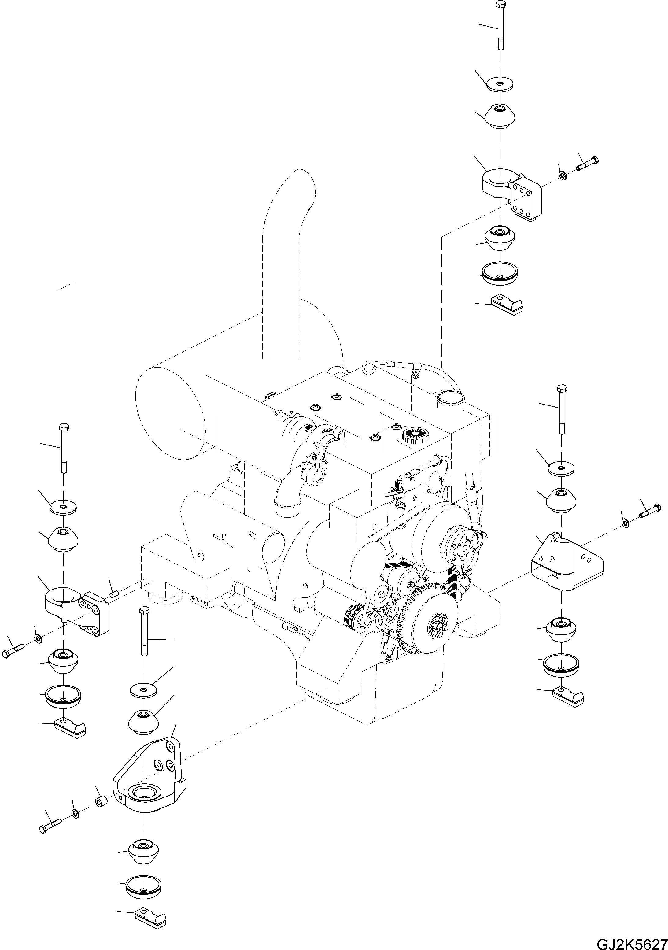
Запчасти Komatsu PW140-7 КРЕПЛЕНИЕ ДВИГАТЕЛЯ B КОМПОНЕНТЫ ДВИГАТЕЛЯ

Схема запчастей Komatsu PW140-7 - КРЕПЛЕНИЕ ДВИГАТЕЛЯ B КОМПОНЕНТЫ ДВИГАТЕЛЯ
2
1
8
11
7
3
8
12
6
2
2
1
1
11
8
3
8
10
4
7
3
11
8
2
12
8
1
6
8
12
9
6
5
3
11
8
12
6
FIT
1:1
100%

Артикул

Название

Примечание

Количество

1

113-01-21120

WASHER

2

01011-81640

BOLT

3

01643-31232

WASHER

4

04020-01228

PIN

5

20Y-01-21260

SPACER

6

20Y-01-22111

NUT

7

21K-01-71131

BRACKET

8

21K-01-71270

CUSHION

9

21K-01-72111

BRACKET

10

21K-01-72120

BRACKET

11

21K-01-72150

BOLT

12

22U-01-21330

STOPPER

Выбрано товаров: 12