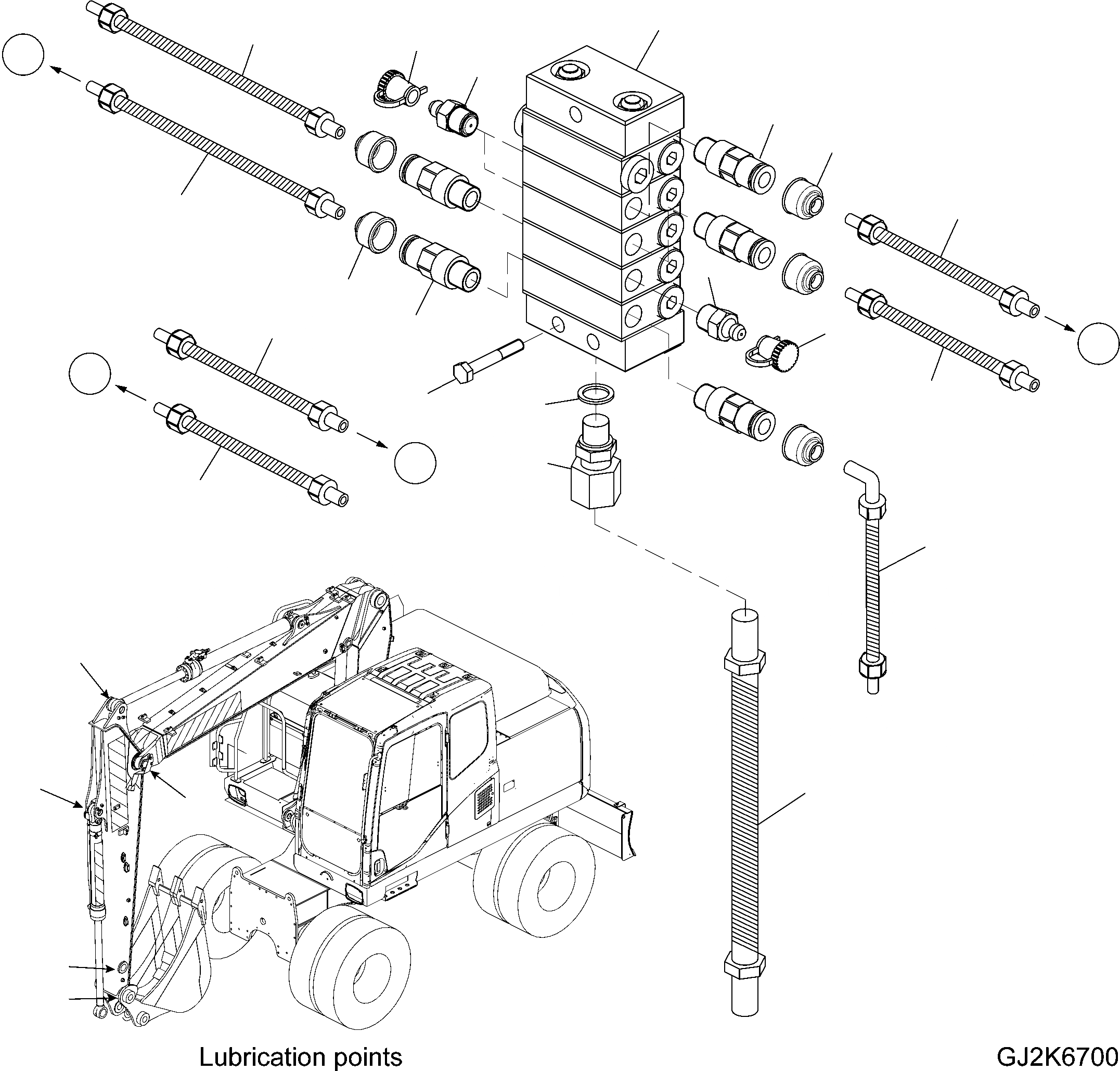
Запчасти Komatsu PW140-7 CENTRAL СМАЗКА (ФИДЕР .M РУКОЯТЬ) W РАЗНОЕ

Схема запчастей Komatsu PW140-7 - CENTRAL СМАЗКА (ФИДЕР .M РУКОЯТЬ) W РАЗНОЕ
10
b
1
8
b
a
9
a
11
12
3
2
9
12
6
8
11
4
13
14
15
7
5
6
5
16
1
4
7
FIT
1:1
100%

Артикул

Название

Примечание

Количество

|$2

42W-09-H4690

PROGRESSIVE FEEDER

1

42W-09-H4610

HOSE (MARK 16)

|$4

419-09-H3150

COVER, 0.33M (SPIRAL)

2

42W-09-H4610

HOSE (MARK 15)

|$6

419-09-H3150

COVER, 0.33M (SPIRAL)

3

42W-09-H4600

HOSE (MARK 19)

|$8

419-09-H3150

COVER, 0.19M (SPIRAL)

4

42W-09-H4130

HOSE (MARK 18)

|$10

419-09-H3150

COVER, 0.19M (SPIRAL)

5

42W-09-H4620

HOSE (MARK 17)

|$12

419-09-H3150

COVER, 0.81M (SPIRAL)

6

42W-09-H4520

HOSE

7

42W-09-H4530

HOSE

8

42W-09-H3350

CAP

9

42W-09-H3870

NIPPLE

10

42W-09-H4590

PROGRESSIVE FEEDER (WITH VALVES)

11

42W-09-H4650

VALVE

11

01010-80640

BOLT

12

42W-09-H2940

CAP

13

01010-80640

BOLT

14

42W-09-H3320

SEAL WASHER

15

42W-09-H3540

UNION

16

42W-09-H4700

HOSE

|$36

42W-09-H3360

COVER, 1.60M (SPIRAL)

Выбрано товаров: 24