Качественные детали и логистика
Оригинальные и аналоговые запчасти с доставкой по России, Казахстану и Беларуси
©2022 PartSell ООО "Система" ИНН 2463123282 ОГРН 1212400004838
Центральный офис: г. Красноярск, Академика Киренского, д.87, пом.4
Телефон: 8 (800) 777-65-74 Email: zakaz@partsell.ru
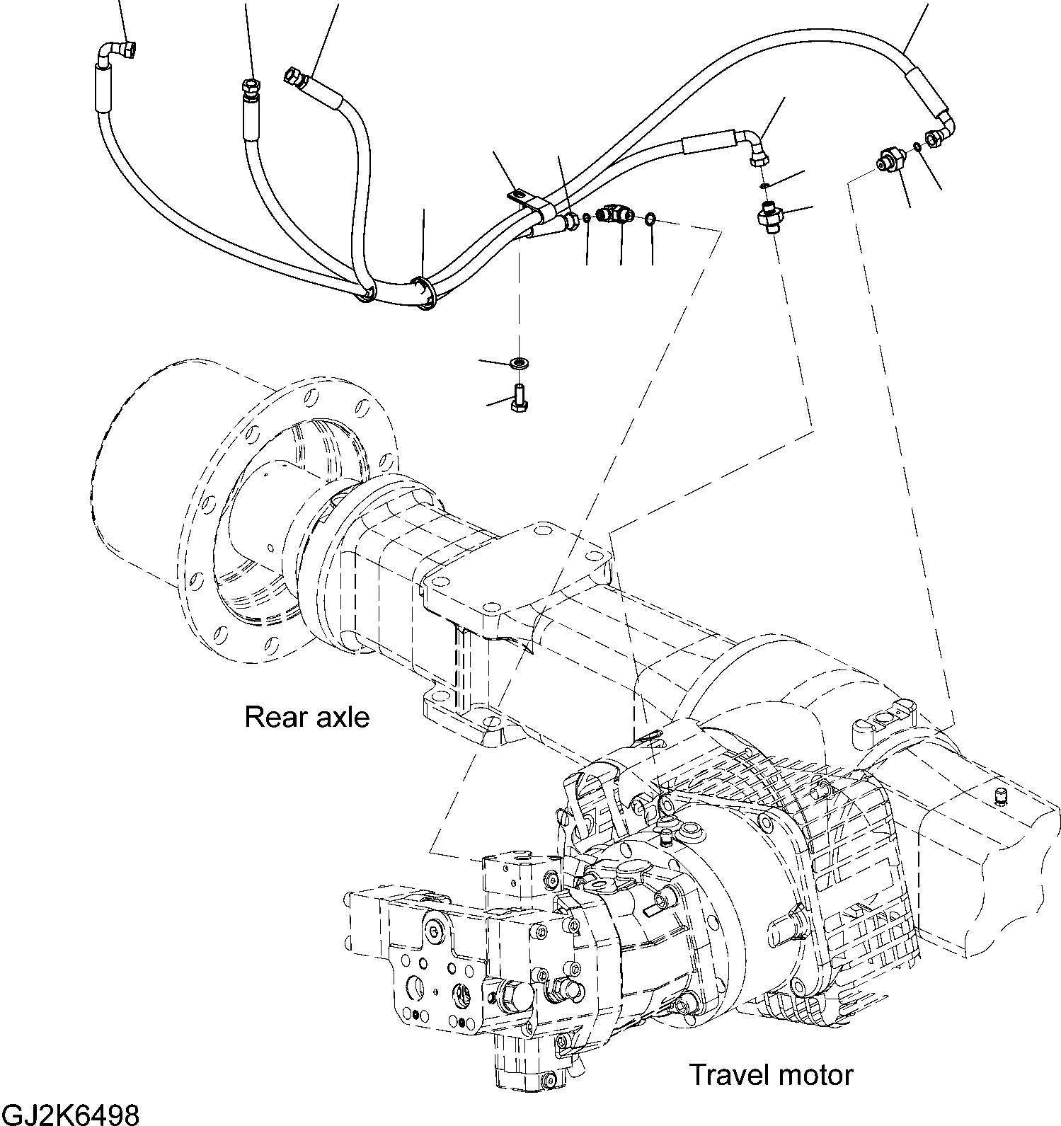
УПРАВЛ-Е ТРАНСМИССИЕЙ ЛИНИЯ
№
Артикул
Название
Примечание
Количество
1
20K-62-35450
ADAPTER
2
02896-11008
O-RING
3
20K-62-35460
ELBOW
4
20E-62-K4350
5
6
02766-00212
HOSE
7
02766-00215
8
02761-00210
9
04435-51510
CLIP
10
01643-31032
WASHER
11
01010-81025
BOLT
12
08034-00519
BAND
Выбрано товаров: 0