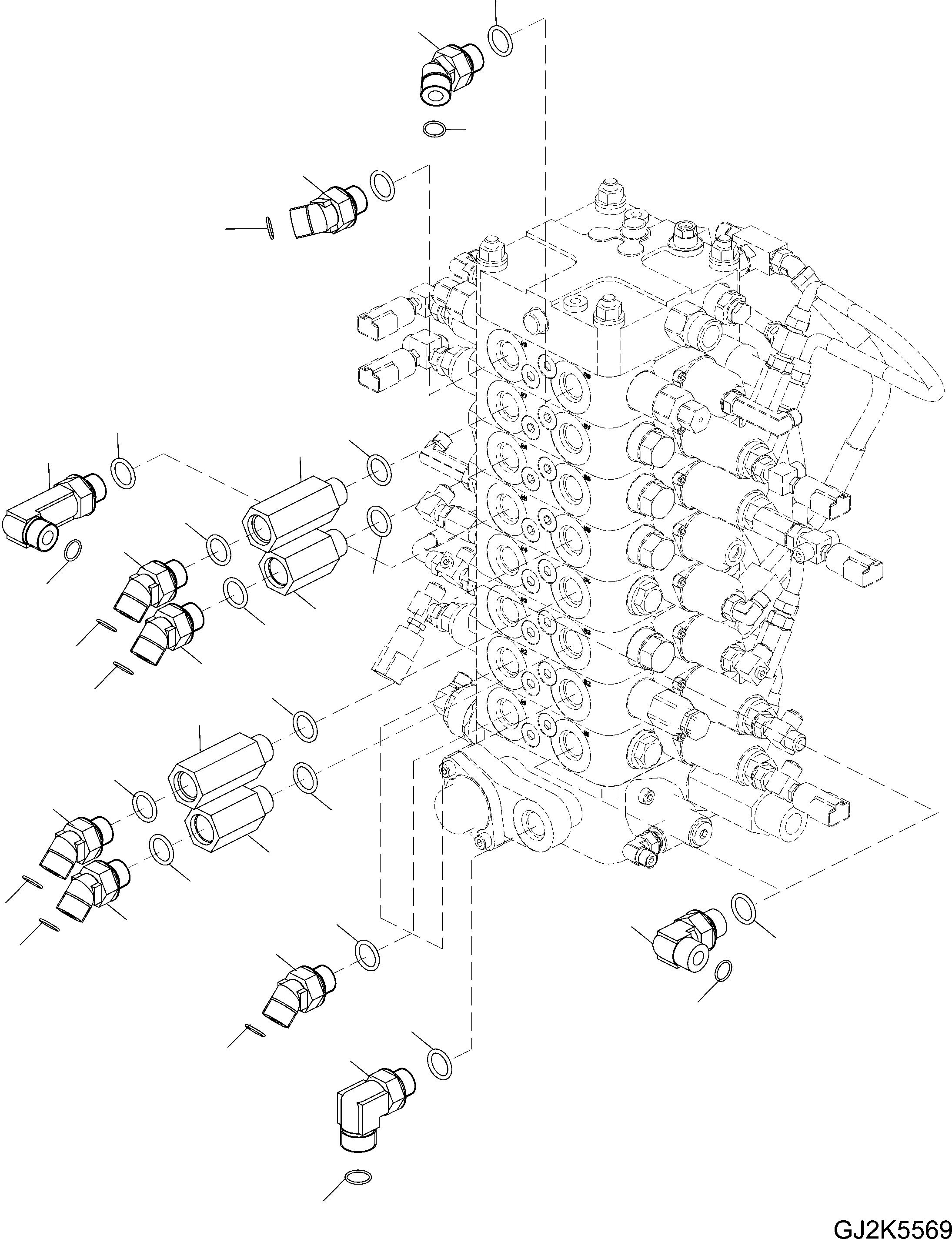
Запчасти Komatsu PW140-7 ОСНОВН. КЛАПАН (8-СЕКЦИОНН./TWO-ЧАСТИ СТРЕЛА) - СОЕДИНИТЕЛЬН. ЧАСТИ (/) H ГИДРАВЛИКА

Схема запчастей Komatsu PW140-7 - ОСНОВН. КЛАПАН (8-СЕКЦИОНН./TWO-ЧАСТИ СТРЕЛА) - СОЕДИНИТЕЛЬН. ЧАСТИ (/) H ГИДРАВЛИКА
3
2
3
1
1
2
1
3
3
8
7
3
2
3
5
9
3
1
2
3
1
8
3
2
3
9
3
3
1
10
4
2
3
5
3
5
6
1
5
FIT
1:1
100%

Артикул

Название

Примечание

Количество

1

02896-11015

O-RING

2

02783-10522

ELBOW

3

07002-12434

O-RING

4

02783-10628

ELBOW

5

02896-11018

O-RING

6

02782-10628

ELBOW

7

02782-10524

ELBOW

8

203-62-61410

JOINT

9

20E-62-K2180

ADAPTER

10

02782-10522

ELBOW

Выбрано товаров: 10