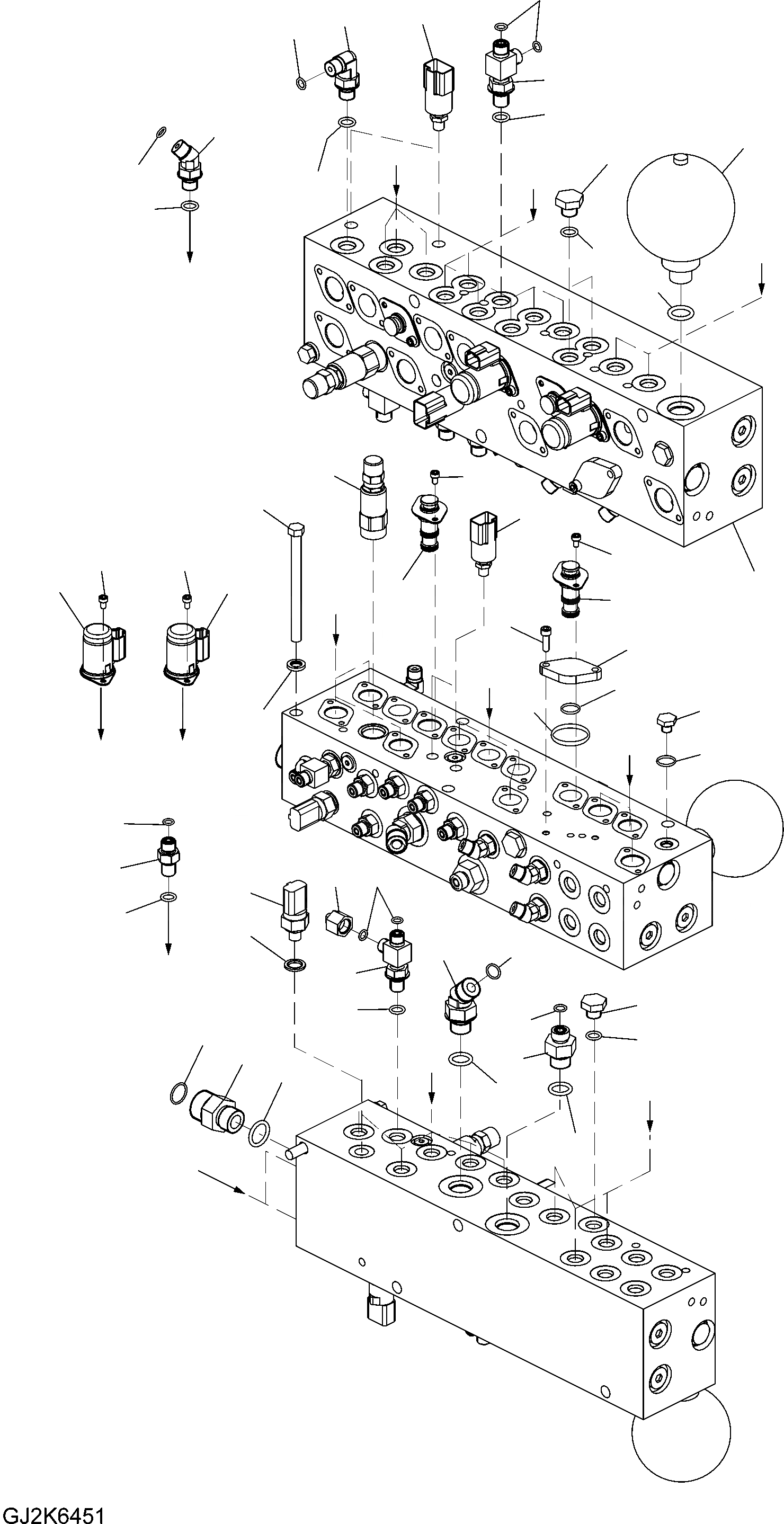
Запчасти Komatsu PW140-7 PPC СОЛЕНОИДНЫЙ КЛАПАН (С ВНУТР. ЧАСТИ) H ГИДРАВЛИКА

Схема запчастей Komatsu PW140-7 - PPC СОЛЕНОИДНЫЙ КЛАПАН (С ВНУТР. ЧАСТИ) H ГИДРАВЛИКА
14
1
11
21
2
14
a
a
26
a
a
20
b
12
b
34
b
a
d
d
24
c
c
d
14
20
20
20
21
28
33
5
2
33
33
33
29
30
27
31
32
6
18
25
23
7
19
14
8
14
3
20
4
13
16
26
24
20
15
17
20
10
9
22
21
35
FIT
1:1
100%

Артикул

Название

Примечание

Количество

1

20J-62-13260

BOLT

2

206-06-61130

SWITCH

3

7861-93-1840

SENSOR

4

20G-62-K2510

WASHER, SEAL

5

417-875-1670

BOLT

6

20J-62-13251

PLATE

7

01643-51032

WASHER

8

02781-0021D

UNION

9

02781-00315

UNION

10

02781-00628

UNION

11

02782-10210

ELBOW

12

02783-10210

ELBOW

13

02783-10422

ELBOW

14

02896-11008

O-RING

15

02896-11009

O-RING

16

02896-11012

O-RING

17

02896-11018

O-RING

18

07000-02011

O-RING

19

07002-11023

O-RING

20

07002-11423

O-RING

21

07002-12034

O-RING

22

07002-12434

O-RING

23

07040-11007

PLUG

24

07040-11409

PLUG

25

700-93-11320

O-RING

26

11Y-62-12330

TEE

|$41

20E-60-41112

SOLENOID ASSEMBLY

|$27

20J-60-31212

SOLENOID ASSEMBLY

27

BLOCK

28

20G-60-31470

VALVE

KIT

20G-60-H0P05

SEAL KIT

29

20G-60-31450

VALVE

30

20G-60-31480

VALVE

31

20G-60-31190

PLUG

32

20J-60-31230

PLUG

33

01252-60510

SCREW

34

22U-60-21330

ACCUMULATOR

35

02789-10210

PLUG

Выбрано товаров: 38