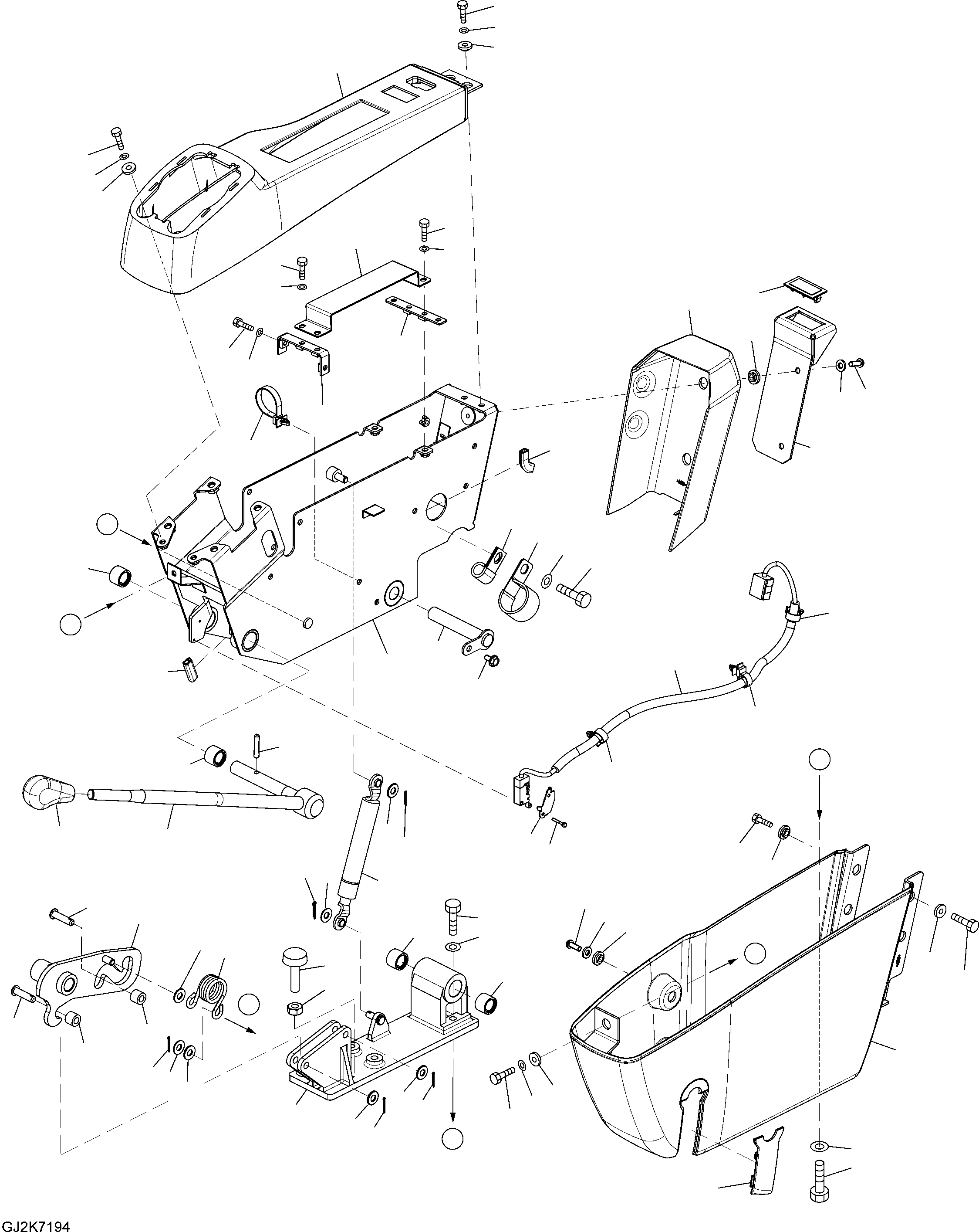
Запчасти Komatsu PW148-8 КОНСОЛЬ, LHS K OPERATORґS ОБСТАНОВКА И СИСТЕМА УПРАВЛЕНИЯ

Схема запчастей Komatsu PW148-8 - КОНСОЛЬ, LHS K OPERATORґS ОБСТАНОВКА И СИСТЕМА УПРАВЛЕНИЯ
26
a
a
27
b
28
b
c
25
c
42
26
27
28
44
39
43
43
44
37
33
28
41
43
44
30
31
40
38
36
35
23
3
24
4
20
6
17
1
36
7
20
47
4
20
10
46
45
18
9
32
19
16
10
28
15
30
13
31
12
2
28
4
3
11
8
28
21
4
32
22
13
14
29
14
9
10
11
28
10
27
11
5
26
10
11
3
2
34
FIT
1:1
100%

Артикул

Название

Примечание

Количество

1

22B-43-23112

FRAME

2

01010-D1030

BOLT

3

01643-31032

WASHER

4

06124-01616

BEARING

5

22B-43-23721

BRACKET

6

22B-43-23161

SHAFT

7

01435-00612

BOLT

8

22B-43-23471

SPRING

9

04050-12015

PIN

10

01640-20816

WASHER

11

426-925-3981

WASHER

12

22B-43-23141

GUIDE

13

04205-30832

PIN

14

21U-43-32430

COLLAR

15

21U-43-32380

GAS SPRING

16

04050-13015

PIN

17

22B-06-21420

SWITCH

18

22U-06-22490

PLATE

19

01023-60320

SCREW

20

08059-00310

CLIP

21

20Y-54-11611

STOPPER

22

01580-11008

NUT

23

04434-51410

CLIP

24

01010-81025

BOLT

25

22B-43-28110

COVER

26

01010-80616

BOLT

27

01643-30623

WASHER

28

20Y-43-41290

COLLAR

29

22B-43-23221

COVER

30

01245-00616

SCREW

31

01643-70623

WASHER

32

01435-00616

BOLT

33

22B-43-23231

COVER

34

22B-43-23271

COVER

35

08059-00515

CLIP

36

22B-43-23280

SEAL

37

20E-06-K1610

COVER

38

20Y-06-42190

COVER

39

20Y-43-41730

PLATE

40

22B-43-23171

BRACKET

41

22B-43-23181

BRACKET

42

208-06-19170

CLIP

43

01010-80616

BOLT

44

01643-30623

WASHER

45

20G-43-41240

LEVER

46

22U-43-22490

KNOB

47

20T-43-71280

PIN

Выбрано товаров: 47