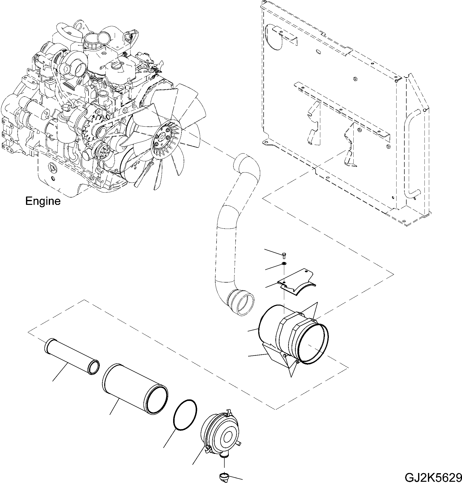
Запчасти Komatsu PW148-8 ВПУСК ВОЗДУХА - ВОЗДУХООЧИСТИТЕЛЬ B КОМПОНЕНТЫ ДВИГАТЕЛЯ

Схема запчастей Komatsu PW148-8 - ВПУСК ВОЗДУХА - ВОЗДУХООЧИСТИТЕЛЬ B КОМПОНЕНТЫ ДВИГАТЕЛЯ
10
11
12
7
6
9
8
4
3
2
1
5
FIT
1:1
100%

Артикул

Название

Примечание

Количество

|$1

6738-81-7100

AIR CLEANER

1

600-184-1310

COVER

|$3

600-185-3100

ELEMENT ASSEMBLY

2

600-184-1370

O-RING

3

ELEMENT,OUTER

4

ELEMENT,INNER

5

600-184-1350

VALVE

6

BODY

7

6131-11-4520

BAND ASSEMBLY

8

6643-11-4641

BOLT

9

20E-01-31210

BRACKET

10

01010-81225

BOLT

11

01643-31232

WASHER

12

20E-54-31970

SEAL

Выбрано товаров: 14