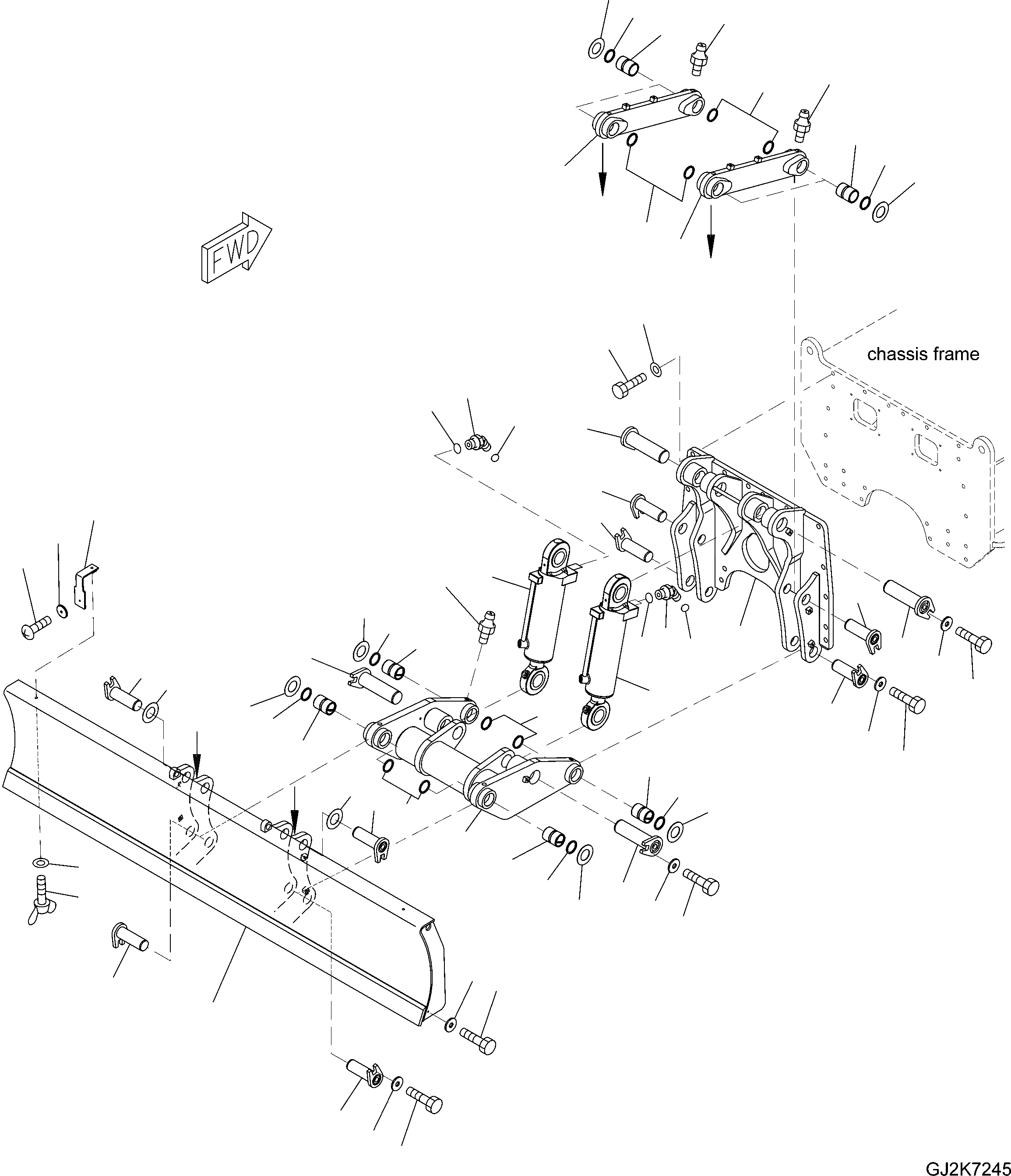
Запчасти Komatsu PW148-8 ЗАДН. ОТВАЛ С СОЕДИНИТЕЛЬН. ЗВЕНОS И ЭЛЕМЕНТЫ КРЕПЛЕНИЯ S ПОДВЕСКА И КОЛЕСА

Схема запчастей Komatsu PW148-8 - ЗАДН. ОТВАЛ С СОЕДИНИТЕЛЬН. ЗВЕНОS И ЭЛЕМЕНТЫ КРЕПЛЕНИЯ S ПОДВЕСКА И КОЛЕСА
18
a
11
a
10
b
9
b
10
11
9
11
18
8
11
8
28
27
5
6
7
22
23
29
25
30
32
4
10
23
13
15
19
5
26
6
7
22
22
23
21
17
4
20
18
15
25
16
21
14
20
19
17
15
23
13
16
12
14
3
16
31
22
18
21
20
3
2
24
1
24
21
20
FIT
1:1
100%

Артикул

Название

Примечание

Количество

1

20E-910-3120

DOZER BLADE ASSEMBLY

2

01010-80816

BOLT

3

01643-30823

WASHER

4

20E-61-31110

CYLINDER ASSEMBLY

5

02782-10315

ELBOW

6

07002-62034

O-RING

7

02896-61009

O-RING

8

20E-910-3360

LINK

9

20E-910-3370

BUSHING

10

07020-00000

FITTING

11

07145-00040

SEAL, DUST

12

20E-910-3321

LINK ASSEMBLY

13

20J-910-1370

BUSHING

14

20J-910-1390

BUSHING

15

07145-00050

SEAL

16

07145-00060

SEAL, DUST

17

42Y-16-H1D40

SHIM

18

20G-910-3110

SPACER, 1.0MM

|$19

20G-910-3120

SPACER, 2.0MM

19

20K-910-4360

SPACER, 1.0MM

|$21

20K-910-4370

SPACER, 2.0MM

20

01010-81016

BOLT

21

144-854-1890

WASHER

22

20E-910-3380

PIN

23

20E-910-3390

PIN

24

20G-910-3282

PIN

25

20K-910-3312

PIN

26

20E-910-3211

BRACKET

27

01010-82055

BOLT

28

01643-32060

WASHER

29

20J-910-1140

BRACKET

30

20G-47-K1690

REFLECTOR

31

01434-10820

BOLT, WING

32

01220-40516

SCREW

Выбрано товаров: 34