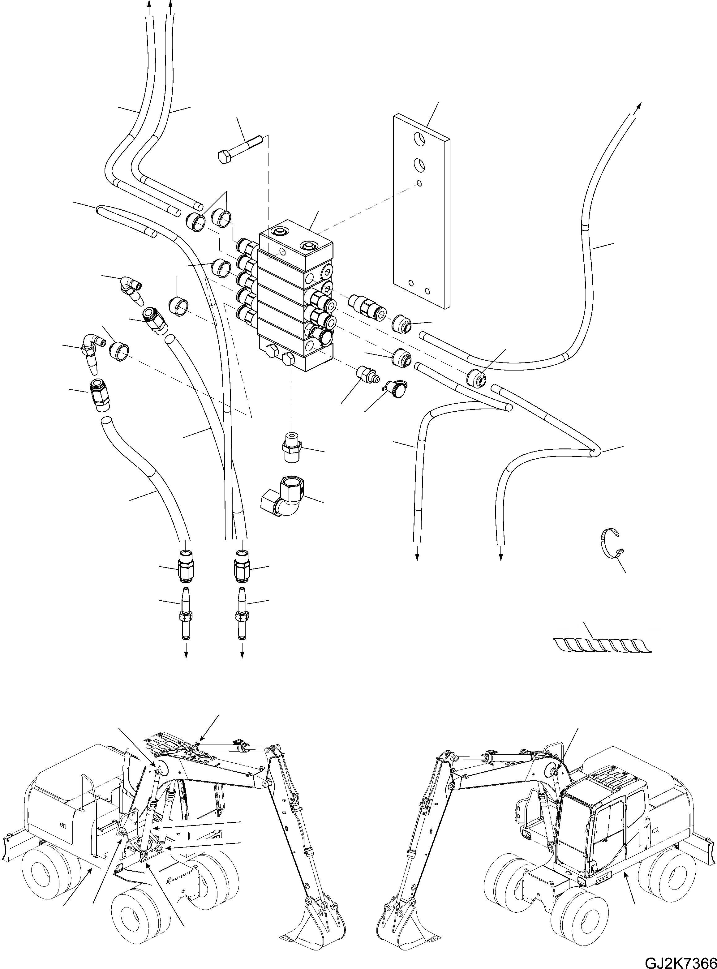
Запчасти Komatsu PW148-8 СТРЕЛА ФИДЕР (ONE-ЧАСТИ СТРЕЛА) - CENTRAL СМАЗКА (АВТОМАТИЧ.) Y ОСНОВН. КОМПОНЕНТЫ И РЕМКОМПЛЕКТЫ

Схема запчастей Komatsu PW148-8 - СТРЕЛА ФИДЕР (ONE-ЧАСТИ СТРЕЛА) - CENTRAL СМАЗКА (АВТОМАТИЧ.) Y ОСНОВН. КОМПОНЕНТЫ И РЕМКОМПЛЕКТЫ
g
g
h
d
13
e
a
2
2
12
b
f
f
a
h
c
11
d
e
b
2
1
2
11
6
11
4
11
11
6
11
4
9
10
3
2
2
7
3
8
4
4
15
5
5
14
5
9
FIT
1:1
100%

Артикул

Название

Примечание

Количество

|$1

20E-S95-H740

BOOM FEEDER (1PB)

1

42W-09-H5950

FEEDER

2

419-09-H2850

PLASTIC TUBE

3

42W-09-H0P00

HOSE, 5M

|$5

42W-09-H0P01

HOSE, 10M

|$6

42W-09-H0P02

HOSE, 25M

4

423-00-H1920

BUSHING

5

42T-09-H3810

TUBE

6

423-00-H0P12

TUBE

7

20E-09-41130

CONNECTOR

8

42W-09-H3330

ELBOW

9

42Y-00-H0040

LUBRICATION NIPPLE

10

42W-09-H3350

CAP

11

42W-09-H2940

CAP

12

42W-09-H5540

BOLT

13

42W-09-H3890

PLATE

14

42W-09-H0P11

HOSE PROTECTOR, 10M

15

421-09-H3100

BAND

Выбрано товаров: 18