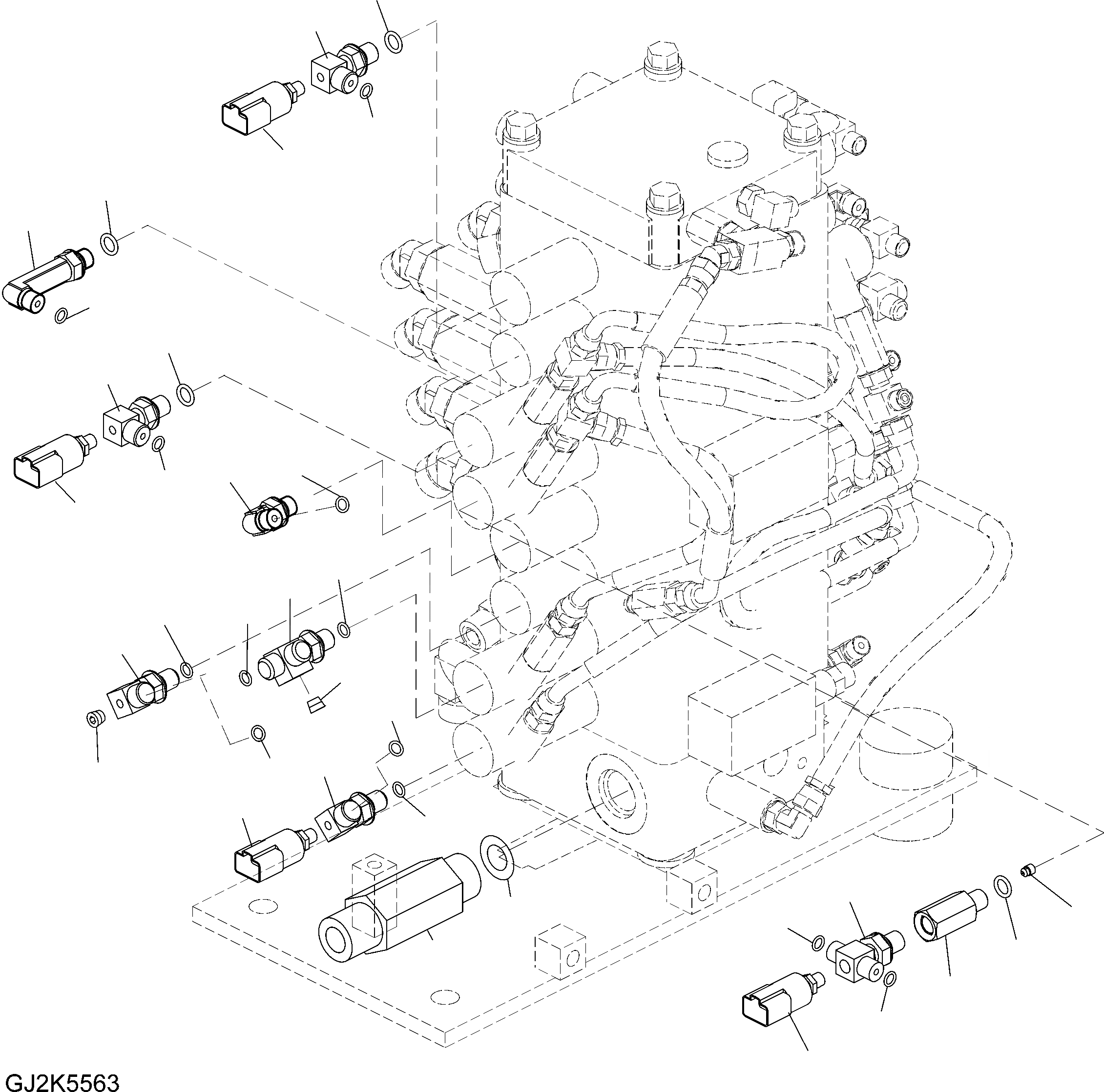
Запчасти Komatsu PW148-8 ОСНОВН. КЛАПАН (ONE-ЧАСТИ СТРЕЛА - TWO НАВЕСН. ОБОРУДS) СОЕДИНИТЕЛЬН. ЧАСТИ (/) H ГИДРАВЛИКА

Схема запчастей Komatsu PW148-8 - ОСНОВН. КЛАПАН (ONE-ЧАСТИ СТРЕЛА - TWO НАВЕСН. ОБОРУДS) СОЕДИНИТЕЛЬН. ЧАСТИ (/) H ГИДРАВЛИКА
23
21
22
3
26
25
24
23
21
20
19
22
3
18
17
16
14
13
12
5
4
15
12
3
6
8
2
7
11
1
10
9
7
3
FIT
1:1
100%

Артикул

Название

Примечание

Количество

1

209-64-11920

UNION

2

07002-13334

O-RING

3

206-06-61130

SWITCH

4

21W-62-99944

ELBOW ASSEMBLY

5

02896-11008

O-RING

6

02896-11008

O-RING

7

02896-11008

O-RING

8

20E-62-31910

TEE

9

20E-62-32480

VALVE ASSEMBLY

10

07002-11423

O-RING

11

20E-60-K1260

POPPET

12

07043-70108

PLUG

13

20J-60-11190

TEE

14

02896-11008

O-RING

15

02896-11008

O-RING

16

02896-11008

O-RING

17

20J-60-11280

TEE ASSEMBLY

18

02896-11008

O-RING

19

02782-10210

ELBOW

20

02896-11008

O-RING

21

21W-62-43910

ELBOW

22

02896-11008

O-RING

23

02896-11008

O-RING

24

02896-11008

O-RING

25

02782-10212

ELBOW

26

02896-11008

O-RING

Выбрано товаров: 26