Запчасти Komatsu PW148-8 ОСНОВН. КЛАПАН (ONE-ЧАСТИ СТРЕЛА - TWO НАВЕСН. ОБОРУДS) СОЕДИНИТЕЛЬН. ЧАСТИ (/) H ГИДРАВЛИКА

Схема запчастей Komatsu PW148-8 - ОСНОВН. КЛАПАН (ONE-ЧАСТИ СТРЕЛА - TWO НАВЕСН. ОБОРУДS) СОЕДИНИТЕЛЬН. ЧАСТИ (/) H ГИДРАВЛИКА
2
3
1
2
1
5
1
4
6
2
14
4
2
13
1
1
9
2
8
2
7
7
1
2
11
2
10
12
1
3
4
2
FIT
1:1
100%

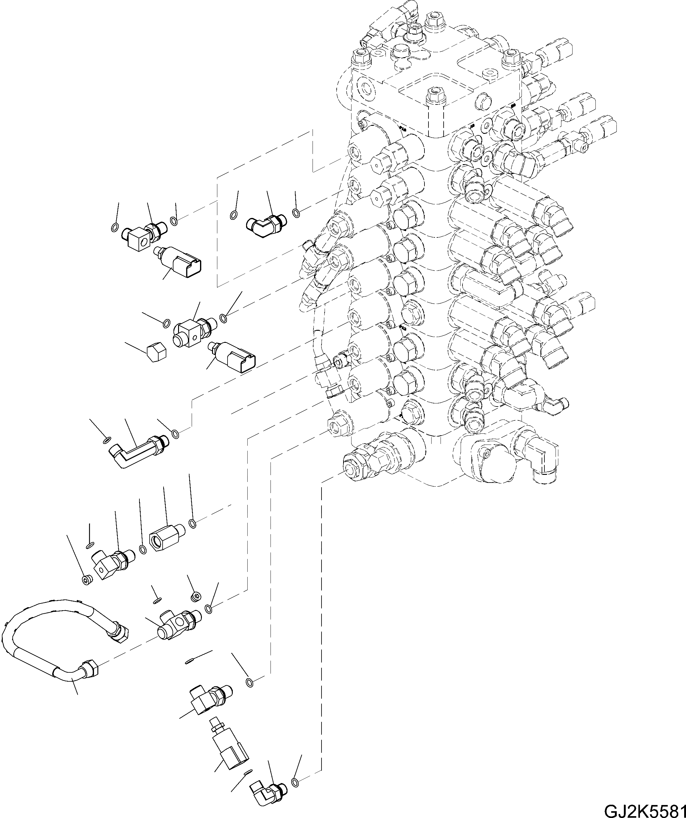
Артикул

Название

Примечание

Количество

1

07002-11423

O-RING

2

02896-11008

O-RING

3

02782-10210

ELBOW

4

206-06-61130

SWITCH

5

20Y-62-45490

ELBOW

6

20J-60-11380

TEE ASSEMBLY

7

07043-70108

PLUG

8

20J-60-11190

TEE

9

203-62-65530

ADAPTER

10

02761-00204

HOSE

11

20J-60-11290

TEE ASSEMBLY

12

20J-60-11360

ELBOW ASSEMBLY

13

02782-10212

ELBOW

14

02789-00210

PLUG

Выбрано товаров: 14