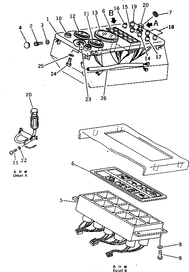
Запчасти Komatsu PW150-1 ПАНЕЛЬ ПРИБОРОВ КОМПОНЕНТЫ ДВИГАТЕЛЯ И ЭЛЕКТРИКА

Схема запчастей Komatsu PW150-1 - ПАНЕЛЬ ПРИБОРОВ КОМПОНЕНТЫ ДВИГАТЕЛЯ И ЭЛЕКТРИКА
FIT
1:1
100%

Артикул

Название

Примечание

Количество

1

20G-06-12111

PANEL

2

01252-40612

BOLT

3

01602-20619

WASHER,SPRING

4

7816-21-1190

WASHER

5

20G-06-12170

BRACKET

6

20G-06-12121

PLATE

7

09415-01008

CAP

8

01220-40412

SCREW

9

01601-20410

WASHER,SPRING

10

22W-06-13270

LAMP

11

20D-68-12630

GAUGE,AIR PRESSURE

12

208-06-11280

GAUGE,WATER TEMPERATURE

13

20B-06-21210

TACHOMETER

14

205-06-71321

SWITCH,HEATER

15

205-06-71331

SWITCH,LAMP

16

205-06-71690

SWITCH ASS'Y,WIPER

17

20G-06-12330

SWITCH,WORK, PARKING

18

20G-06-12430

SWITCH,OUTRIGGER

19

20G-06-12480

SWITCH,HAZARD

20

195-822-6151

LIGHTER

21

01220-40408

SCREW

22

01601-20410

WASHER,SPRING

23

205-06-51290

CONDENSER

24

01010-50816

BOLT

25

01602-20825

WASHER,SPRING

26

20G-06-14272

WIRE

26

22W-06-13590

DIODE

Выбрано товаров: 0