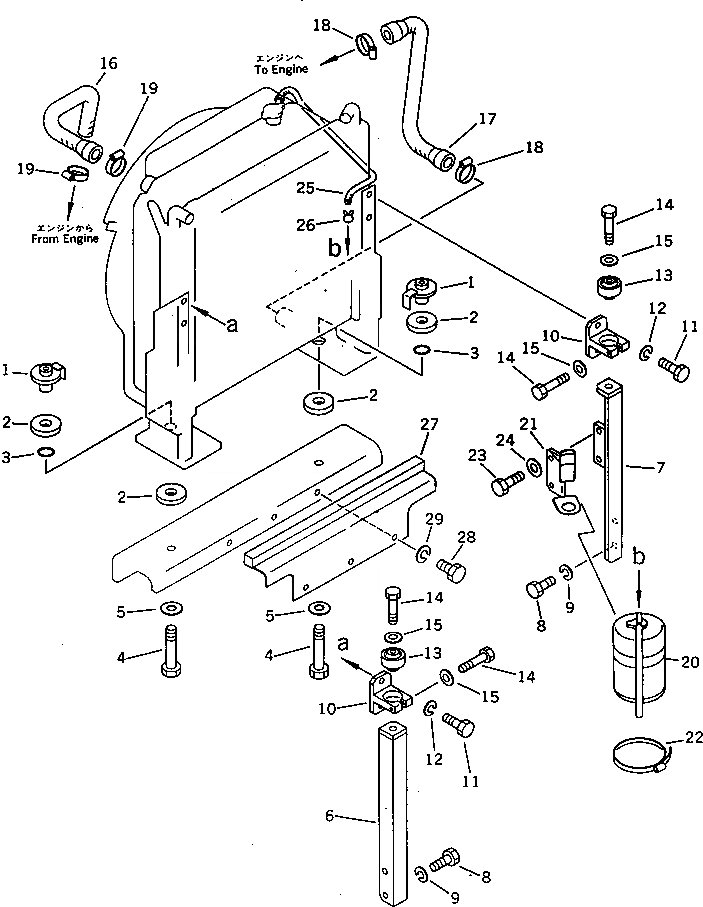
Запчасти Komatsu PW150-1 КРЕПЛЕНИЕ РАДИАТОРА И ТРУБЫ КОМПОНЕНТЫ ДВИГАТЕЛЯ И ЭЛЕКТРИКА

Схема запчастей Komatsu PW150-1 - КРЕПЛЕНИЕ РАДИАТОРА И ТРУБЫ КОМПОНЕНТЫ ДВИГАТЕЛЯ И ЭЛЕКТРИКА
FIT
1:1
100%

Артикул

Название

Примечание

Количество

1

21K-03-12650

COLLAR

2

205-03-62680

CUSHION

3

07000-03022

O-RING

4

01010-51275

BOLT

5

01643-31232

WASHER

6

20G-03-11250

BRACKET

7

20G-03-11241

BRACKET

8

01010-51225

BOLT

9

01602-21236

WASHER,SPRING

10

203-03-41190

BRACKET

11

01010-51025

BOLT

12

01602-21030

WASHER,SPRING

13

135-03-12110

DAMPER

14

01010-51260

BOLT

15

01643-31232

WASHER

16

20G-03-11171

HOSE

17

20G-03-11163

HOSE

18

207-09-11110

CLAMP

18

07281-00489

CLAMP

19

208-09-11120

CLAMP

19

07281-00709

CLAMP

20

203-03-41230

TANK

21

203-03-41360

BRACKET

22

07281-01469

CLAMP

23

01010-51020

BOLT

24

01643-31032

WASHER

25

20D-03-41450

HOSE

25

20G-03-11310

HOSE

26

206-03-43340

CLIP

27

20G-03-11210

PLATE

28

01010-51025

BOLT

29

01602-21030

WASHER,SPRING

Выбрано товаров: 32