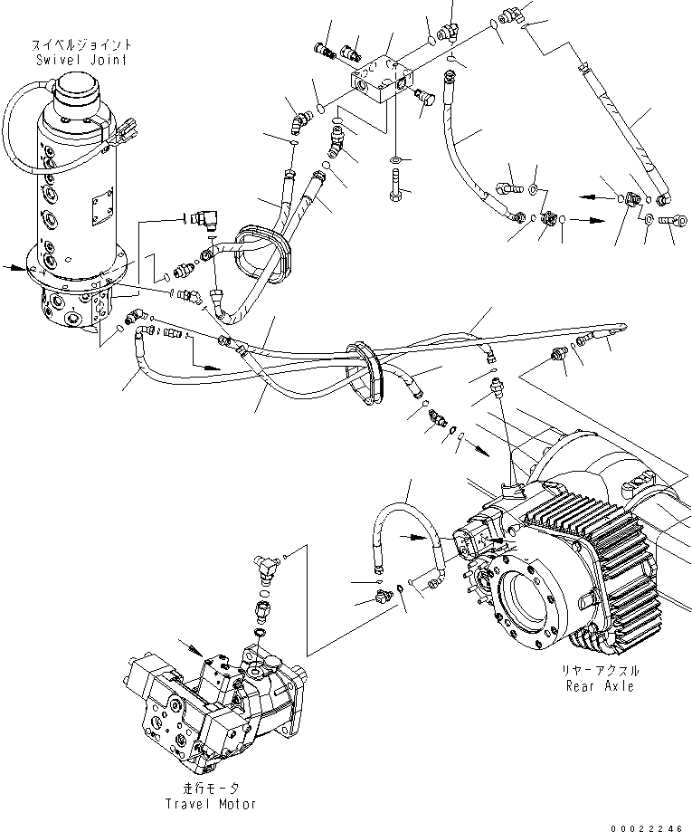
Запчасти Komatsu PW160-7 УПРАВЛ-Е ТРАНСМИССИЕЙ ЛИНИЯ F СИЛОВАЯ ПЕРЕДАЧА

Схема запчастей Komatsu PW160-7 - УПРАВЛ-Е ТРАНСМИССИЕЙ ЛИНИЯ F СИЛОВАЯ ПЕРЕДАЧА
17
16
15
25
20
20
23
10
28
27
26
34
29
29
26
34
28
27
11
23
25
16
18
19
25
21
24
14
12
23
22
25
8
7
9
6
3
4
5
2
9
1
1
2
7
32
31
30
33
13
8
a
a
b
b
d
d
c
c
FIT
1:1
100%

Артикул

Название

Примечание

Количество

1

20K-62-35450

ADAPTER

2

02896-11008

O-RING

3

20K-62-35460

ELBOW

4

20E-62-K4330

SEAL

5

20E-62-K4350

O-RING

6

02896-11008

O-RING

7

02765-00214

HOSE

8

02767-00211

HOSE

9

02761-00210

HOSE

10

02761-00304

HOSE

11

02761-00304

HOSE

12

02760-00307

HOSE

13

02761-00204

HOSE

14

02761-004AB

HOSE

|$15

20K-60-31331

VALVE ASSEMBLY

15

BLOCK

16

20K-60-31781

VALVE

17

20K-60-31791

VALVE

18

01643-30823

WASHER

19

01010-80855

BOLT

20

02782-10315

ELBOW

21

02782-10422

ELBOW

22

02783-10315

ELBOW

23

02896-11009

O-RING

24

02896-11012

O-RING

25

07002-12034

O-RING

26

20K-62-35430

ADAPTER

27

01641-20508

WASHER

28

01252-40516

BOLT

29

07000-E2012

O-RING

30

20K-62-35440

ELBOW

31

20G-62-K2760

WASHER

32

20G-62-K2740

O-RING

33

02896-11008

O-RING

34

02896-11009

O-RING

Выбрано товаров: 35