Запчасти Komatsu PW160-7 PARK ТОРМОЗ. АККУМУЛЯТОР (ДЛЯ ITALY) H ГИДРАВЛИКА

Схема запчастей Komatsu PW160-7 - PARK ТОРМОЗ. АККУМУЛЯТОР (ДЛЯ ITALY) H ГИДРАВЛИКА
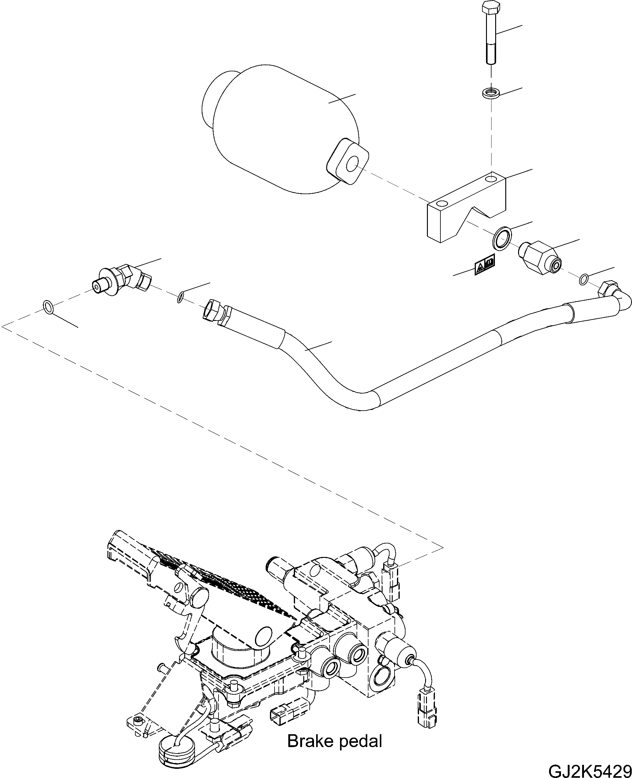
1
2
8
10
9
11
6
4
7
4
5
3
FIT
1:1
100%

Артикул

Название

Примечание

Количество

1

01010-81065

BOLT

2

01643-51032

WASHER

3

02765-003A7

HOSE

4

02896-11009

O-RING

5

07002-11423

O-RING

6

11Y-62-12510

ELBOW

7

20E-00-K1210

PLATE, CAUTION

8

20E-60-K4741

ACCUMULATOR

9

20G-62-K1370

WASHER, SEAL

10

20K-54-21641

CLAMP

11

20K-62-35190

ADAPTER

Выбрано товаров: 11