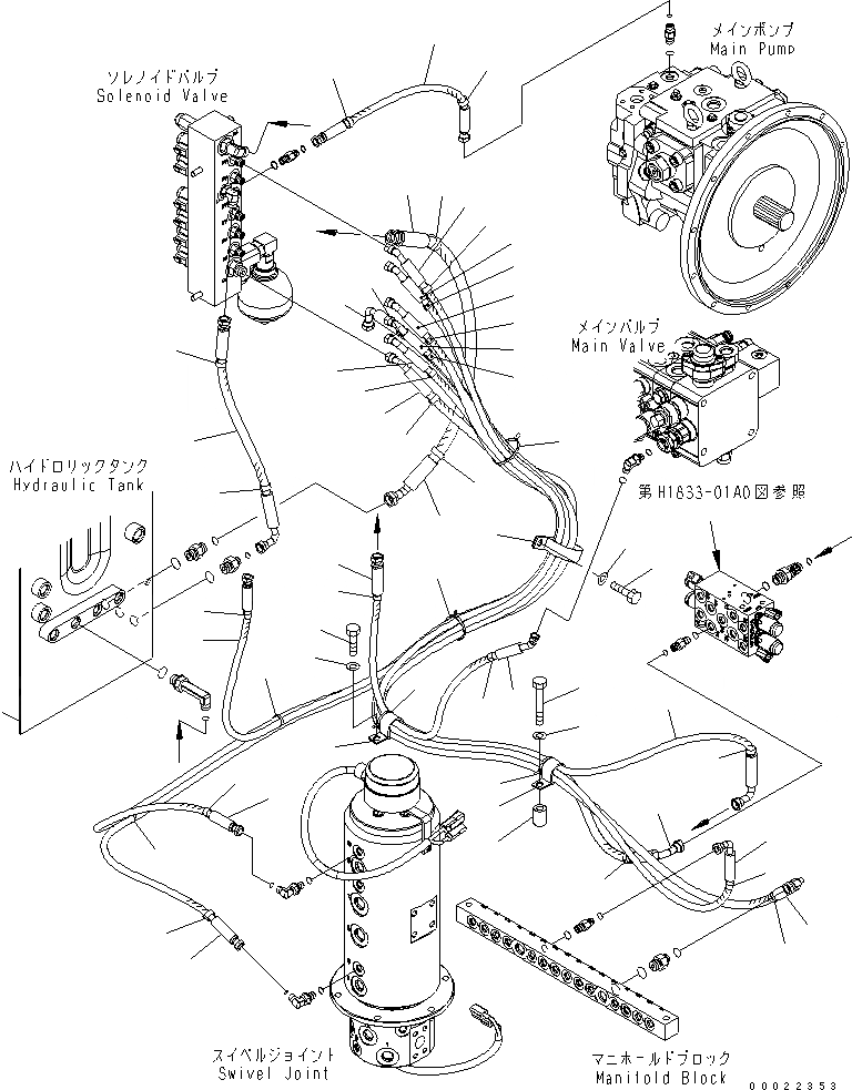
Запчасти Komatsu PW160-7 СОЛЕНОИДНЫЙ КЛАПАН ТРУБЫ H ГИДРАВЛИКА

Схема запчастей Komatsu PW160-7 - СОЛЕНОИДНЫЙ КЛАПАН ТРУБЫ H ГИДРАВЛИКА
27
26
27
30
31
1
2
3
4
5
6
7
8
15
9
10
11
12
14
13
33
32
33
28
29
22
21
16
8
7
6
5
20
16
2
1
15
20
23
14
12
11
3
4
19
18
31
17
30
15
15
10
9
25
24
28
29
13
a
a
c
c
b
b
SEE FIG. H1833-01A0
FIT
1:1
100%

Артикул

Название

Примечание

Количество

1

02764-00226

HOSE

2

20K-62-31750

MARK, A8

3

20G-62-33520

HOSE

4

20E-62-K3560

MARK, A6

5

02764-00226

HOSE

6

203-62-58140

MARK, A3

7

02764-00221

HOSE

8

203-62-58530

MARK, A2

9

20G-62-33530

HOSE

10

203-62-58520

MARK, A1

11

20G-62-33540

HOSE

12

203-62-62440

MARK, P0

13

20G-62-33551

HOSE

14

20G-62-K9180

MARK, PS

15

08034-00536

BAND

16

08034-00519

BAND

17

21K-03-11190

CLIP

18

01643-31232

WASHER

19

01010-81225

BOLT

20

04434-53412

CLIP

21

01643-31232

WASHER

22

01010-81225

BOLT

23

20G-62-31170

BOSS

24

01643-31232

WASHER

25

01010-81290

BOLT

26

02760-00205

HOSE

27

203-62-58170

MARK, P2

28

02761-00315

HOSE

29

20G-62-K8750

MARK, T

30

02764-00408

HOSE

31

203-62-62480

MARK, T0

32

02761-00305

HOSE

33

203-62-58210

MARK, T1

Выбрано товаров: 33