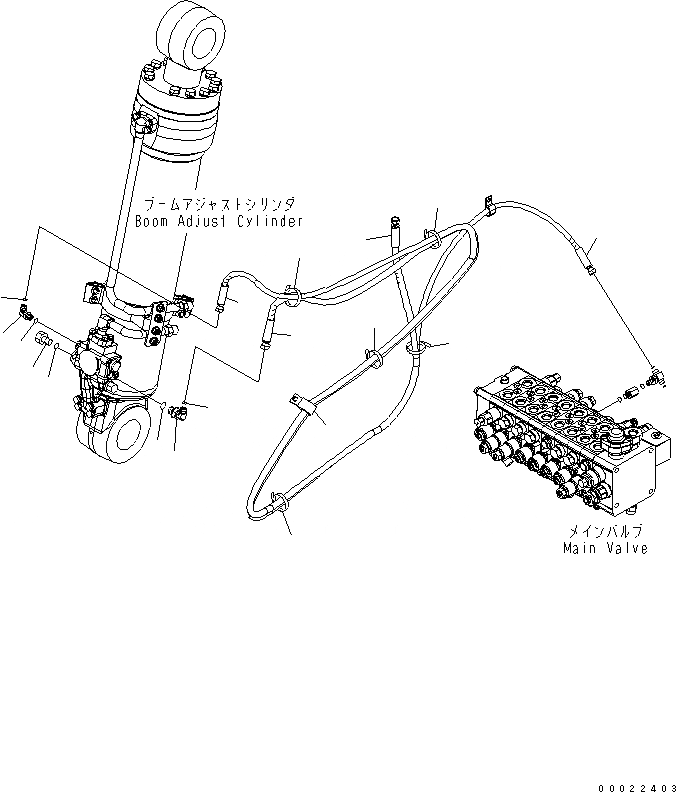
Запчасти Komatsu PW160-7 СТРЕЛА ADJUST ЦИЛИНДР (С КЛАПАН БЕЗОПАСНОСТИ) (/) T РАБОЧЕЕ ОБОРУДОВАНИЕ

Схема запчастей Komatsu PW160-7 - СТРЕЛА ADJUST ЦИЛИНДР (С КЛАПАН БЕЗОПАСНОСТИ) (/) T РАБОЧЕЕ ОБОРУДОВАНИЕ
12
10
12
12
11
12
11
10
9
12
3
1
2
5
4
7
6
8
FIT
1:1
100%

Артикул

Название

Примечание

Количество

1

02782-10315

ELBOW

2

07002-12034

O-RING

3

02896-11009

O-RING

4

07040-11409

PLUG

5

07002-11423

O-RING

6

02782-10210

ELBOW

7

07002-11423

O-RING

8

02896-11008

O-RING

9

04434-53411

CLIP

|$10

20G-62-33940

HOSE ASSEMBLY

10

02760-00243

HOSE

11

02760-00337

HOSE

12

08034-00536

BAND

Выбрано товаров: 13