Качественные детали и логистика
Оригинальные и аналоговые запчасти с доставкой по России, Казахстану и Беларуси
©2022 PartSell ООО "Система" ИНН 2463123282 ОГРН 1212400004838
Центральный офис: г. Красноярск, Академика Киренского, д.87, пом.4
Телефон: 8 (800) 777-65-74 Email: zakaz@partsell.ru
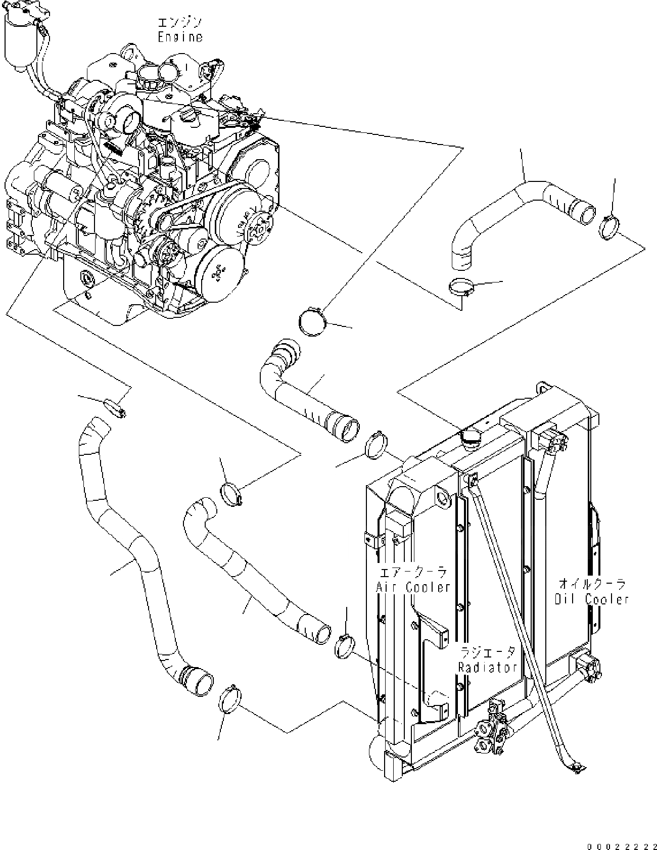
ОХЛАЖД-Е ПАТРУБКИ
№
Артикул
Название
Примечание
Количество
1
20G-03-31910
HOSE
2
20G-03-31920
3
07281-00709
CLAMP
4
20G-03-31941
5
14X-01-35581
6
07299-00070
7
20G-03-32510
Выбрано товаров: 0