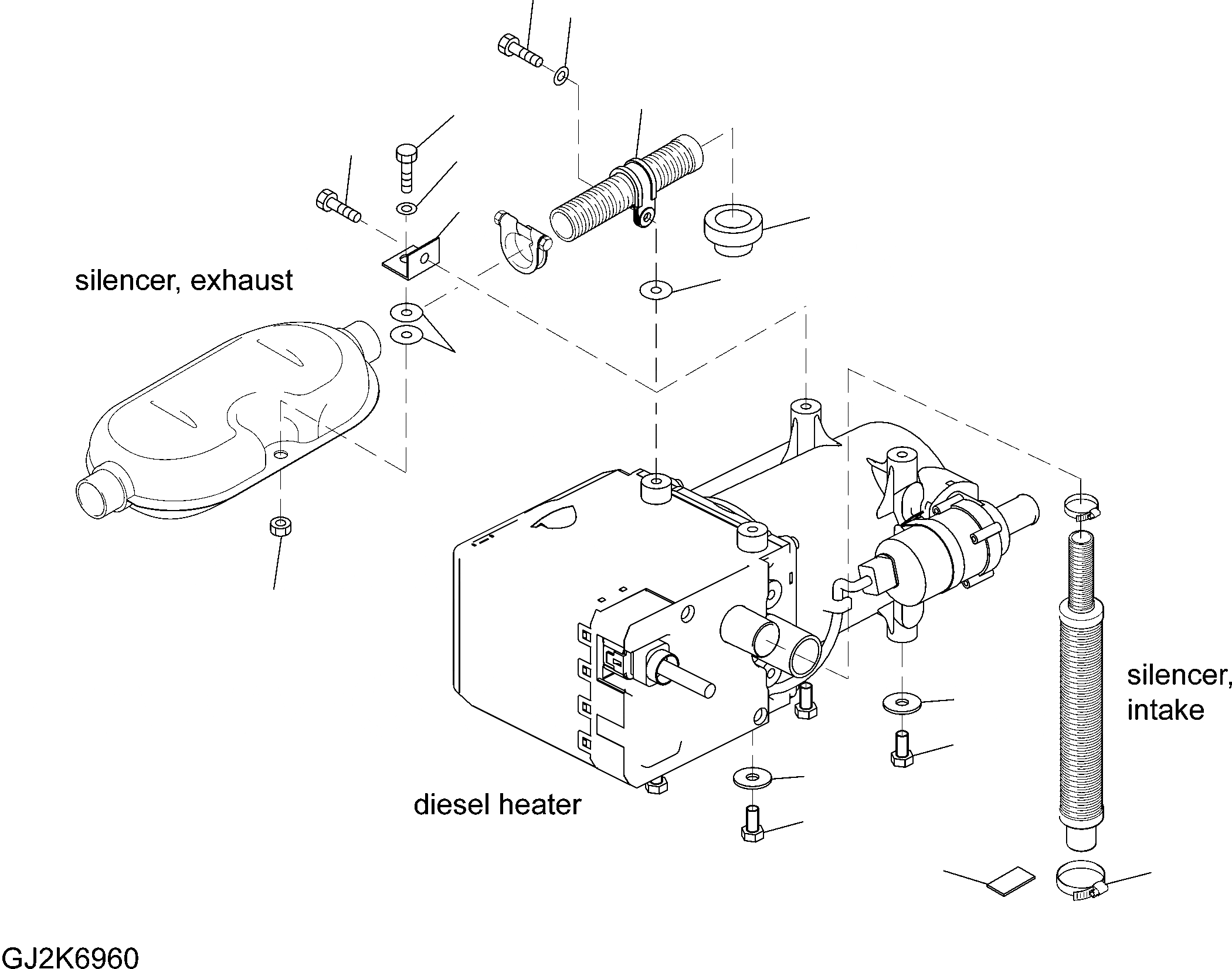
Запчасти Komatsu PW160-7E0 DIESEL ОБОГРЕВАТЕЛЬ. - ЭЛЕМЕНТЫ КРЕПЛЕНИЯ K OPERATORґS ОБСТАНОВКА И СИСТЕМА УПРАВЛЕНИЯ

Схема запчастей Komatsu PW160-7E0 - DIESEL ОБОГРЕВАТЕЛЬ. - ЭЛЕМЕНТЫ КРЕПЛЕНИЯ K OPERATORґS ОБСТАНОВКА И СИСТЕМА УПРАВЛЕНИЯ
13
14
12
2
1
3
4
6
15
5
11
7
8
7
8
9
10
FIT
1:1
100%

Артикул

Название

Примечание

Количество

1

01010-80816

BOLT

2

01010-80616

BOLT

3

01643-30623

WASHER

4

20E-04-H0P49

BRACKET

5

423-00-H1200

WASHER, LARGE

6

20E-04-H0P50

GROMMET

7

421-00-H0760

WASHER, LARGE

8

01010-80816

BOLT

9

20E-04-H0P51

CAP (GLUE)

10

08034-10520

BAND

11

01580-10605

NUT

12

20G-04-H0P01

CLAMP

13

01010-50616

BOLT

14

01580-00605

NUT

15

423-00-H1200

WASHER, LARGE

Выбрано товаров: 15