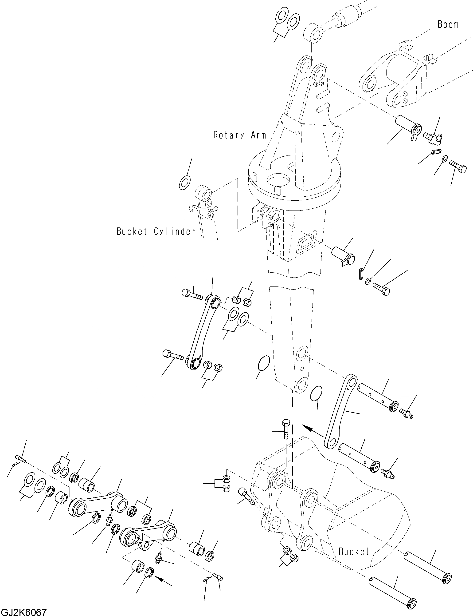
Запчасти Komatsu PW160-7E0 ВРАЩАЮЩ. РУКОЯТЬ (СОЕДИНЕНИЕ КОВШАS И ПАЛЕЦS) T РАБОЧЕЕ ОБОРУДОВАНИЕ

Схема запчастей Komatsu PW160-7E0 - ВРАЩАЮЩ. РУКОЯТЬ (СОЕДИНЕНИЕ КОВШАS И ПАЛЕЦS) T РАБОЧЕЕ ОБОРУДОВАНИЕ
35
34
30
37
31
33
32
36
38
40
39
13
9
14
12
10
18
25
11
19
8
25
26
15
28
21
16
5
4
2
27
29
6
1
22
17
5
4
3
5
5
24
7
5
7
23
20
3
28
5
29
a
a
FIT
1:1
100%

Артикул

Название

Примечание

Количество

1

20E-70-35110

LINK, LHS

2

20E-70-K2580

LINK, RHS

3

203-70-56140

BUSHING

4

203-70-56160

BUSHING

5

07145-00065

SEAL, DUST

6

07145-00060

SEAL, DUST

7

07020-00000

FITTING

8

203-70-K1131

LINK, LHS

9

203-70-K1142

LINK, RHS

10

203-70-K1150

PIN

11

07020-00000

FITTING

12

203-70-24150

SPACER 1.0MM

12

203-70-24160

SPACER 2.0MM

13

01011-81620

BOLT

14

01580-11613

NUT

15

203-70-K1160

PIN

16

07020-00000

FITTING

17

202-70-48460

SPACER 1.0MM

17

203-70-44430

SPACER 2.0MM

18

01011-81620

BOLT

19

01580-11613

NUT

20

203-70-44380

PIN

21

203-70-24150

SPACER 1.0MM

21

203-70-24160

SPACER 2.0MM

22

01011-81640

BOLT

23

01580-11613

NUT

24

203-70-44380

PIN

25

203-70-44470

O-RING

26

01011-81670

BOLT

27

01580-11613

NUT

28

20E-70-K1260

PIN

29

20E-70-K1290

PIN

30

203-70-42121

PIN

31

205-70-66580

PLATE

32

01010-81230

BOLT

33

01643-31232

WASHER

34

07020-00675

FITTING

35

203-70-24170

SPACER 1.0MM

35

203-70-41430

SPACER 2.0MM

36

203-70-42131

PIN

37

202-70-48460

SPACER 1.0MM

38

205-70-66580

PLATE

39

01010-81230

BOLT

40

01643-31232

WASHER

Выбрано товаров: 44