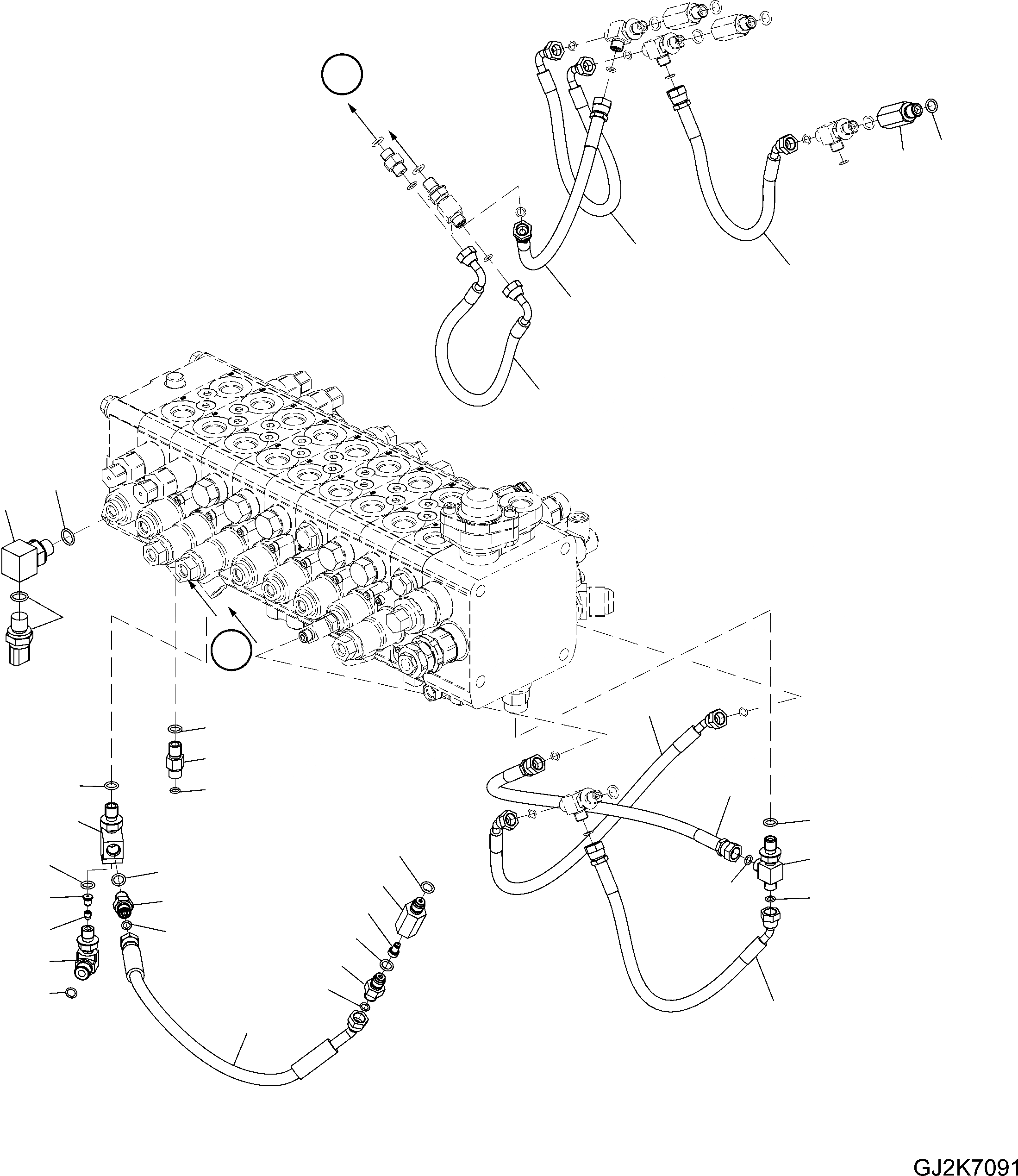
Запчасти Komatsu PW160-7E0 ОСНОВН. КЛАПАН - СОЕДИНИТЕЛЬН. ЧАСТИ (/) H ГИДРАВЛИКА

Схема запчастей Komatsu PW160-7E0 - ОСНОВН. КЛАПАН - СОЕДИНИТЕЛЬН. ЧАСТИ (/) H ГИДРАВЛИКА
21
a
a
23
34
15
16
17
15
12
11
13
18
9
7
14
5
8
4
29
20
10
33
27
3
22
22
30
26
2
25
31
24
1
28
6
32
19
FIT
1:1
100%

Артикул

Название

Примечание

Количество

|$1

21K-60-71230

VALVE ASSEMBLY

1

21K-62-72730

ELBOW

2

21W-973-3420

POPPET

3

21Y-62-11591

PLUG

4

207-62-61680

ADAPTOR

5

07002-11423

O-RING

6

02896-11009

O-RING

7

11Y-62-12130

NIPPLE

8

02896-11008

O-RING

9

07002-11423

O-RING

10

02896-11008

O-RING

11

203-62-61511

ELBOW

12

07002-11823

O-RING

13

7861-93-1812

SENSOR

|$15

07002-11823

O-RING

14

02760-002A4

HOSE

15

20G-62-33410

HOSE

16

02764-002A3

HOSE

17

02760-00204

HOSE

18

20G-62-33680

HOSE

19

02764-00204

HOSE

20

11Y-62-12330

TEE

21

07002-11423

O-RING

22

02896-11008

O-RING

23

07002-11423

O-RING

|$26

20K-60-31260

VALVE

24

20K-62-31290

NIPPLE

25

07002-11423

O-RING

26

20K-60-31310

SPRINGS KIT

27

20Y-60-22350

ADAPTER

28

02896-11008

O-RING

29

07002-11423

O-RING

30

02781-0021D

UNION

31

02896-11008

O-RING

32

02779-00204

HOSE

33

07002-11423

O-RING

34

201-62-65530

ADAPTER

Выбрано товаров: 37