Запчасти Komatsu PW160-7E0 ГРЕЙФЕРН. ЛИНИЯ (ОСНОВНАЯ РАМА ) H ГИДРАВЛИКА

Схема запчастей Komatsu PW160-7E0 - ГРЕЙФЕРН. ЛИНИЯ (ОСНОВНАЯ РАМА ) H ГИДРАВЛИКА
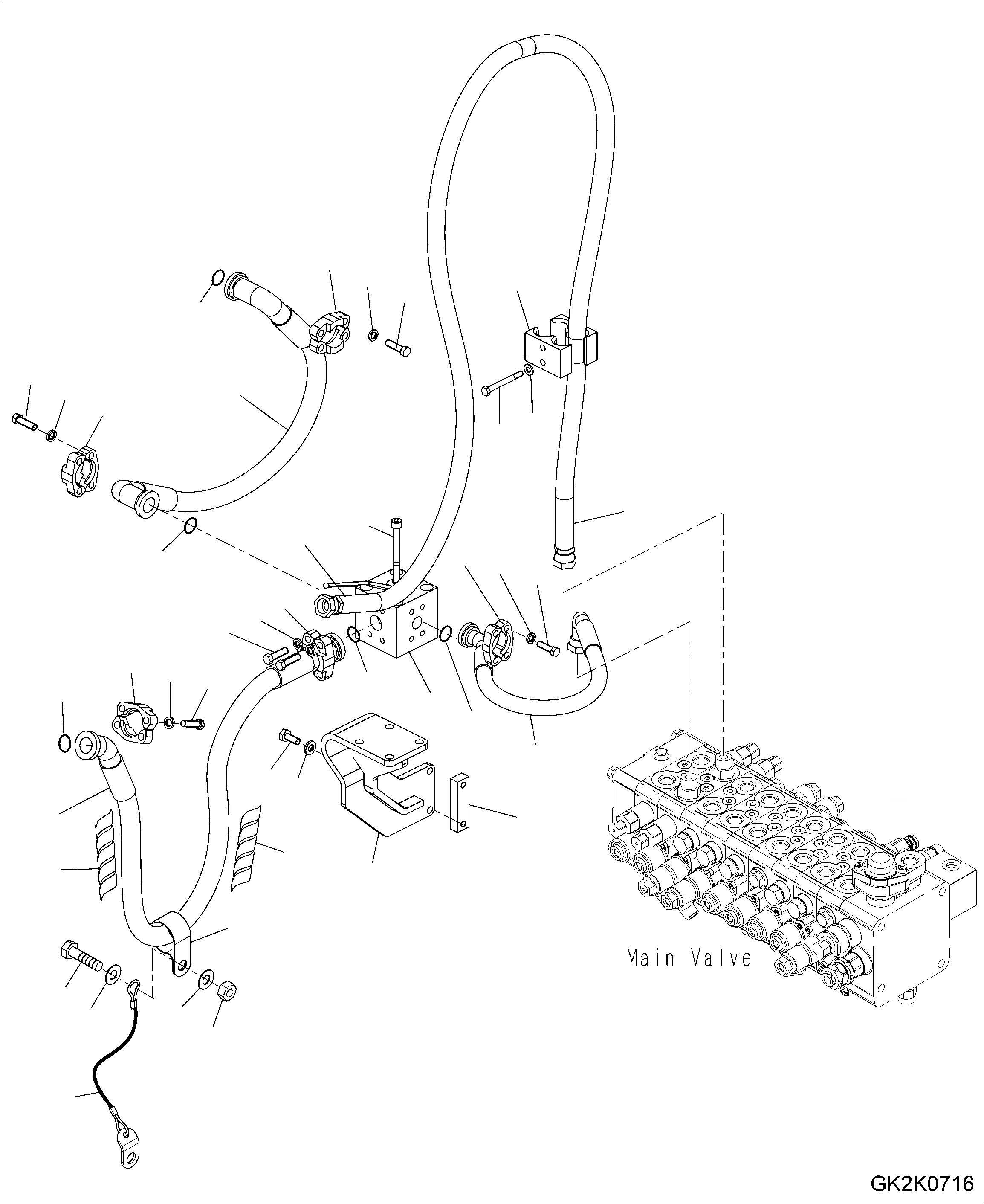
1
2
3
4
4
5
6
7
8
9
10
11
11
12
12
13
14
13
14
15
16
17
18
19
20
21
21
22
22
23
23
24
24
25
27
28
27
30
29
31
31
32
FIT
1:1
100%

Артикул

Название

Примечание

Количество

1

20G-62-31440

CLAMP

2

01643-30823

WASHER

3

01010-80875

BOLT

4

02778-00523

HOSE

5

20G-970-3860

BRACKET

6

01643-31032

WASHER

7

01010-81075

BOLT

8

20G-970-3910

VALVE

9

21P-970-K530

BOLT

10

20G-970-3720

HOSE

11

07000-13032

O-RING

12

07371-31049

FLANGE

13

01643-51032

WASHER

14

07372-21035

BOLT

15

20G-970-3880

HOSE

16

07000-13022

O-RING

17

07371-30500

FLANGE

18

01643-50823

WASHER

19

01010-80830

BOLT

20

07097-01012

HOSE

21

07000-13032

O-RING

22

07371-31049

FLANGE

23

01643-51032

WASHER

24

07372-21035

BOLT

25

20G-62-34560

SEAT

26

01580-01008

NUT

27

203-62-32450

SPIRAL TUBE

28

42Y-00-H0680

CLAMP

29

20K-01-45270

WIRE ASSEMBLY

30

01010-81225

BOLT

31

01643-31232

WASHER

32

01580-11210

NUT

Выбрано товаров: 0