Качественные детали и логистика
Оригинальные и аналоговые запчасти с доставкой по России, Казахстану и Беларуси
©2022 PartSell ООО "Система" ИНН 2463123282 ОГРН 1212400004838
Центральный офис: г. Красноярск, Академика Киренского, д.87, пом.4
Телефон: 8 (800) 777-65-74 Email: zakaz@partsell.ru
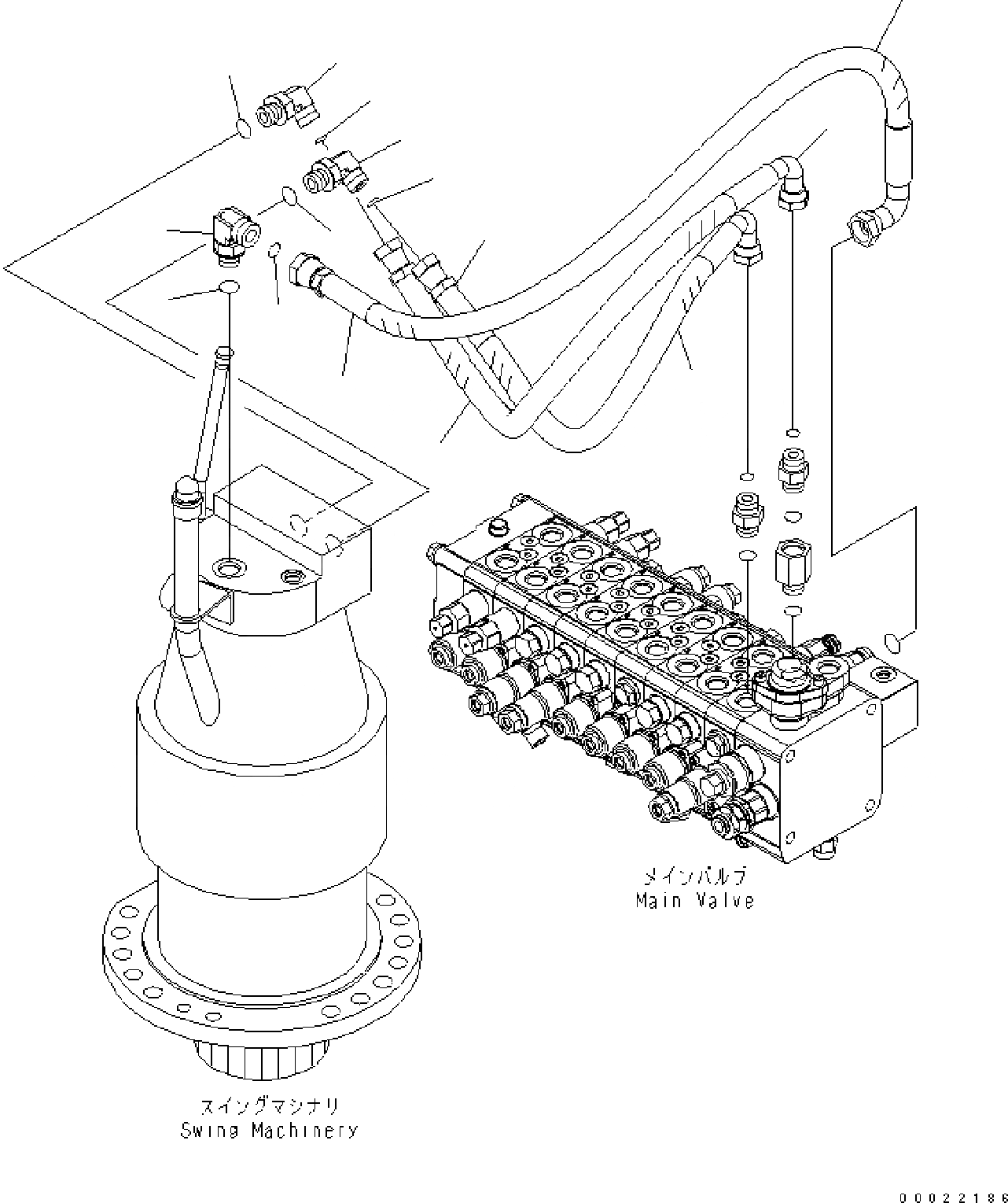
ЛИНИЯ ПОВОРОТА
№
Артикул
Название
Примечание
Количество
1
02778-00507
HOSE
2
20G-62-35310
3
02778-00508
4
07002-12434
O-RING
5
02782-10522
ELBOW
6
02896-11015
7
8
02782-10628
9
02896-11018
Выбрано товаров: 0