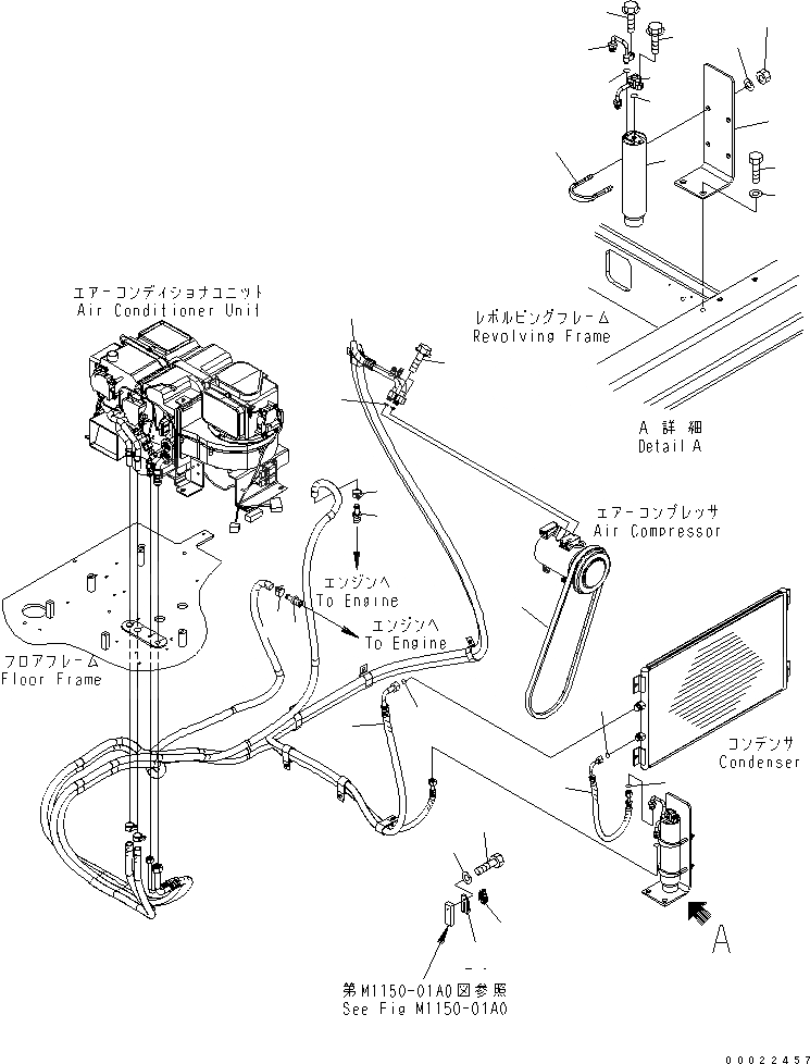
Запчасти Komatsu PW160-7K КОНДИЦ. ВОЗДУХА (ШЛАНГИ) КАБИНА ОПЕРАТОРА И СИСТЕМА УПРАВЛЕНИЯ

Схема запчастей Komatsu PW160-7K - КОНДИЦ. ВОЗДУХА (ШЛАНГИ) КАБИНА ОПЕРАТОРА И СИСТЕМА УПРАВЛЕНИЯ
1
1
2
2
3
4
5
5
6
6
7
7
8
9
10
11
12
13
14
15
16
17
18
19
20
21
22
23
24
25
FIT
1:1
100%

Артикул

Название

Примечание

Количество

1

20G-979-3263

HOSE

2

20Y-979-3140

O-RING

3

01435-00630

BOLT

4

20G-979-3271

HOSE

5

20Y-979-3150

O-RING

6

21P-977-K140

NIPPLE

7

07281-00259

CLAMP

8

20Y-979-3120

TANK

9

07283-36155

CLIP

10

01599-01011

NUT

11

01643-31032

WASHER

12

20Y-979-6542

TUBE

13

20Y-979-3150

O-RING

14

01435-00625

BOLT

15

20Y-979-6650

TUBE

16

20Y-979-3150

O-RING

17

01435-00625

BOLT

18

20Y-979-6621

PLATE

19

01643-31232

WASHER

20

01010-81230

BOLT

21

20G-979-3320

V-BELT

22

20Y-979-6191

SENSOR

23

20Y-979-6271

BRACKET

24

01010-80620

BOLT

25

01643-30623

WASHER

Выбрано товаров: 25