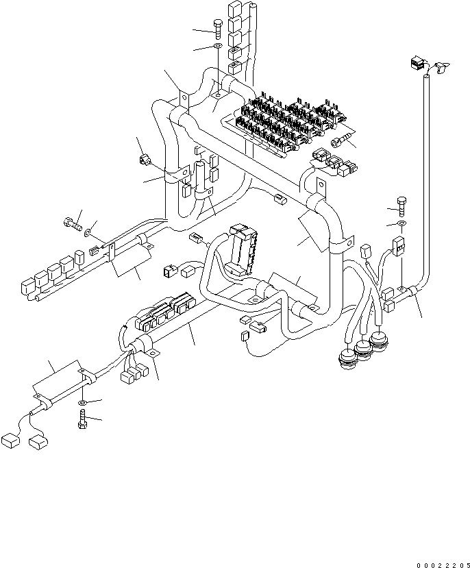
Запчасти Komatsu PW160-7K ПОЛ (КАБИНА Э/ПРОВОДКА) КАБИНА ОПЕРАТОРА И СИСТЕМА УПРАВЛЕНИЯ

Схема запчастей Komatsu PW160-7K - ПОЛ (КАБИНА Э/ПРОВОДКА) КАБИНА ОПЕРАТОРА И СИСТЕМА УПРАВЛЕНИЯ
1
2
3
4
5
5
5
5
6
7
7
8
8
9
10
10
11
11
12
13
14
FIT
1:1
100%

Артикул

Название

Примечание

Количество

1

20G-06-31291

WIRING HARNESS

|1

20K-06-32230

BOX,FUSE

|1

20K-06-32130

RELAY

|1

08041-00500

FUSE¤ 5A

|1

08041-01000

FUSE¤ 10A

|1

08041-01500

FUSE¤ 15A

|1

08041-02000

FUSE¤ 20A

|1

08041-02500

FUSE¤ 25A

|1

08041-03000

FUSE¤ 30A

|1

08020-10000

DIODE

|1

08020-30000

DIODE

2

01252-60512

BOLT

3

01643-31032

WASHER

4

01010-81016

BOLT

5

04434-53411

CLIP

6

04434-52310

CLIP

7

01643-31032

WASHER

8

01010-81020

BOLT

9

04434-52511

CLIP

10

04434-51810

CLIP

11

04434-53211

CLIP

12

01643-31032

WASHER

13

01010-81016

BOLT

14

20K-06-32110

CLIP

Выбрано товаров: 24