Запчасти Komatsu PW160-7K ПЕДАЛЬ ТОРМОЗА КАБИНА ОПЕРАТОРА И СИСТЕМА УПРАВЛЕНИЯ

Схема запчастей Komatsu PW160-7K - ПЕДАЛЬ ТОРМОЗА КАБИНА ОПЕРАТОРА И СИСТЕМА УПРАВЛЕНИЯ
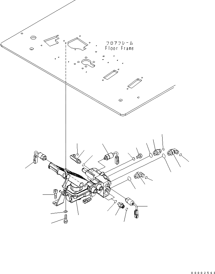
1
2
3
4
5
6
7
8
8
9
9
9
10
11
12
13
14
15
16
16
16
16
17
18
FIT
1:1
100%

Артикул

Название

Примечание

Количество

1

20K-60-31191

VALVE ASS'Y,BRAKE (SEE FIG.Y1689-21A0)

2

01643-50823

WASHER

3

01010-80825

BOLT

4

01252-70616

BOLT

5

20K-06-31321

SWITCH

6

20K-06-31341

SWITCH

7

20K-06-31331

SWITCH

8

07002-11423

O-RING

9

07002-12034

O-RING

10

02782-10212

ELBOW

11

02783-10315

ELBOW

12

02781-00315

UNION

13

02782-10315

ELBOW

14

20K-62-35490

ADAPTER

15

02896-11008

O-RING

16

02896-11009

O-RING

17

07040-11409

PLUG

18

07002-11423

O-RING

Выбрано товаров: 18