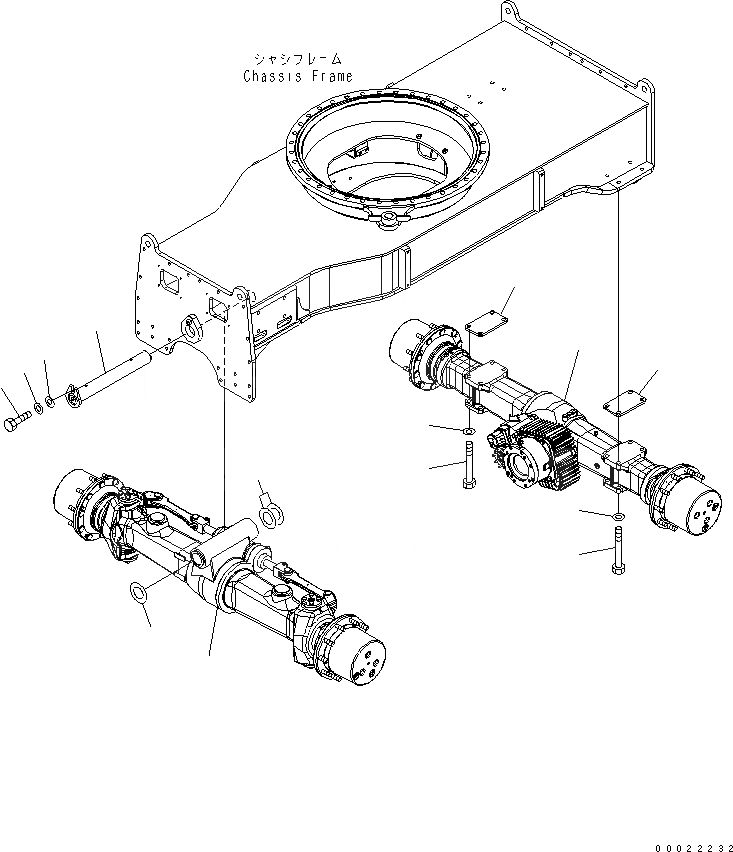
Запчасти Komatsu PW160-7K МОСТ И ЭЛЕМЕНТЫ КРЕПЛЕНИЯ НИЖНЯЯ ГИДРОЛИНИЯ И ЛИНИЯ ХОДА

Схема запчастей Komatsu PW160-7K - МОСТ И ЭЛЕМЕНТЫ КРЕПЛЕНИЯ НИЖНЯЯ ГИДРОЛИНИЯ И ЛИНИЯ ХОДА
1
2
3
3
4
4
5
5
6
7
8
9
10
11
FIT
1:1
100%

Артикул

Название

Примечание

Количество

1

20G-23-31000

AXLE ASS'Y,FRONT

2

20G-22-31000

AXLE ASS'Y,REAR

3

01643-32060

WASHER

4

20G-22-31120

BOLT

5

20G-22-31111

PLATE

6

20G-23-31112

PIN

7

20G-23-31130

SHIM¤ 0.5MM

|7

20G-23-31120

SHIM¤ 1.0MM

8

20G-23-31140

PLATE

9

209-54-14650

WASHER

10

01643-31232

WASHER

11

01010-81220

BOLT

Выбрано товаров: 12