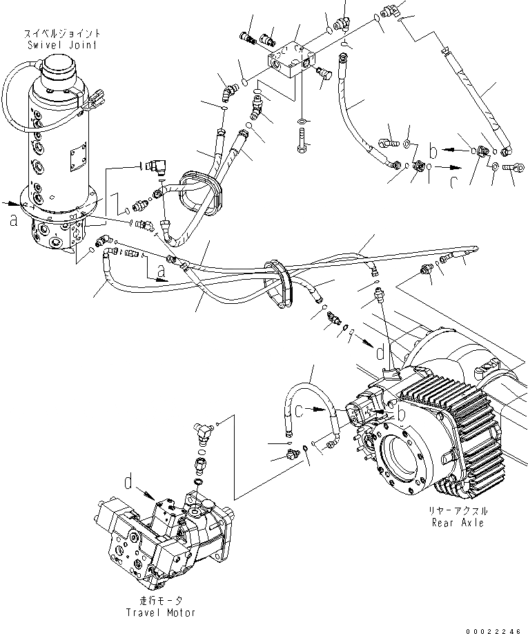
Запчасти Komatsu PW160-7K УПРАВЛ-Е ТРАНСМИССИЕЙ ЛИНИЯ СИЛОВАЯ ПЕРЕДАЧА

Схема запчастей Komatsu PW160-7K - УПРАВЛ-Е ТРАНСМИССИЕЙ ЛИНИЯ СИЛОВАЯ ПЕРЕДАЧА
1
1
2
2
3
4
5
6
7
7
8
8
9
9
10
11
12
13
14
15
16
16
17
18
19
20
20
21
22
23
23
23
24
25
25
25
25
26
26
27
27
28
28
29
29
30
31
32
33
34
34
FIT
1:1
100%

Артикул

Название

Примечание

Количество

1

20K-62-35450

ADAPTER

2

02896-11008

O-RING

3

20K-62-35460

ELBOW

4

20E-62-K4330

SEAL

5

20E-62-K4350

O-RING

6

02896-11008

O-RING

7

02765-00214

HOSE

8

02767-00211

HOSE

9

02761-00210

HOSE

10

02761-00304

HOSE

11

02761-00304

HOSE

12

02760-00307

HOSE

13

02761-00204

HOSE

14

02761-004AB

HOSE

|15

20K-60-31331

VALVE ASS'Y

15

BLOCK

16

20K-60-31781

VALVE,CHECK

17

20K-60-31791

VALVE,SHUTTLE

18

01643-30823

WASHER

19

01010-80855

BOLT

20

02782-10315

ELBOW

21

02782-10422

ELBOW

22

02783-10315

ELBOW

23

02896-11009

O-RING

24

02896-11012

O-RING

25

07002-12034

O-RING

26

20K-62-35430

ADAPTER

27

01641-20508

WASHER

28

01252-40516

BOLT

29

07000-E2012

O-RING

30

20K-62-35440

ELBOW

31

20G-62-K2760

WASHER

32

20G-62-K2740

O-RING

33

02896-11008

O-RING

34

02896-11009

O-RING

Выбрано товаров: 35