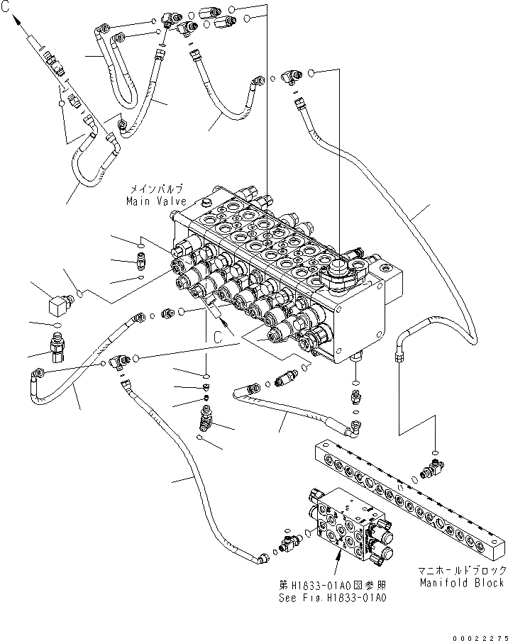
Запчасти Komatsu PW160-7K ОСНОВН. КЛАПАН СОЕДИНИТЕЛЬН. ЧАСТИ (/) ГИДРАВЛИКА

Схема запчастей Komatsu PW160-7K - ОСНОВН. КЛАПАН СОЕДИНИТЕЛЬН. ЧАСТИ (/) ГИДРАВЛИКА
1
2
3
4
5
6
7
8
9
10
11
12
13
14
14
15
16
17
18
19
FIT
1:1
100%

Артикул

Название

Примечание

Количество

|1

21K-60-71230

VALVE ASS'Y

1

ELBOW

2

21W-973-3420

POPPET

3

21Y-62-11591

PLUG

4

07002-11423

O-RING

5

02896-11009

O-RING

6

11Y-62-12130

NIPPLE

7

07002-11423

O-RING

8

02896-11008

O-RING

9

203-62-61511

ELBOW

10

07002-11823

O-RING

11

7861-93-1650

SENSOR

12

07002-11823

O-RING

13

02761-002A4

HOSE

14

20G-62-33410

HOSE

15

02764-002A3

HOSE

16

02760-00204

HOSE

17

02761-00211

HOSE¤ 1100MM

18

20G-62-33680

HOSE

19

20G-62-33670

HOSE

Выбрано товаров: 20