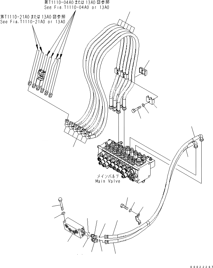
Запчасти Komatsu PW160-7K РАБОЧЕЕ ОБОРУДОВАНИЕ ЛИНИЯ (ОСНОВНАЯ РАМА ) ГИДРАВЛИКА

Схема запчастей Komatsu PW160-7K - РАБОЧЕЕ ОБОРУДОВАНИЕ ЛИНИЯ (ОСНОВНАЯ РАМА ) ГИДРАВЛИКА
1
1
2
3
4
4
5
6
7
8
9
10
11
12
13
14
15
16
17
17
18
18
FIT
1:1
100%

Артикул

Название

Примечание

Количество

1

20G-62-31440

CLAMP

2

01643-30823

WASHER

3

01010-80875

BOLT

4

02778-00523

HOSE

5

20G-62-31330

CLAMP

6

01643-31232

WASHER

7

01010-81230

BOLT

8

20G-60-31442

MANIFOLD

9

01643-31232

WASHER

10

01011-81230

BOLT

11

07002-12434

O-RING

12

02783-10522

ELBOW

13

02896-11015

O-RING

14

07002-12434

O-RING

15

02783-10522

ELBOW

16

02896-11015

O-RING

17

02778-00515

HOSE

18

20G-62-31340

HOSE

Выбрано товаров: 18