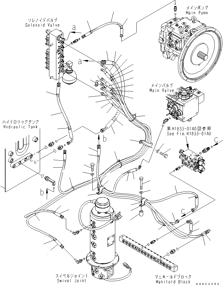
Запчасти Komatsu PW160-7K СОЛЕНОИДНЫЙ КЛАПАН ТРУБЫ ГИДРАВЛИКА

Схема запчастей Komatsu PW160-7K - СОЛЕНОИДНЫЙ КЛАПАН ТРУБЫ ГИДРАВЛИКА
1
1
2
2
3
3
4
4
5
5
6
6
7
7
8
8
9
9
10
10
11
11
12
12
13
13
14
14
15
15
15
15
16
16
17
18
19
20
20
21
22
23
24
25
26
27
27
28
28
29
29
30
30
31
31
32
33
33
FIT
1:1
100%

Артикул

Название

Примечание

Количество

1

02764-00226

HOSE

2

20K-62-31750

MARK¤ A8

3

20G-62-33520

HOSE

4

20E-62-K3560

MARK¤ A6

5

02764-00226

HOSE

6

203-62-58140

MARK¤ A3

7

02764-00221

HOSE

8

203-62-58530

MARK¤ A2

9

20G-62-33530

HOSE

10

203-62-58520

MARK¤ A1

11

20G-62-33540

HOSE

12

203-62-62440

MARK¤ P0

13

20G-62-33550

HOSE

14

20G-62-K9180

MARK¤ PS

15

08034-00536

BAND

16

08034-00519

BAND

17

21K-03-11190

CLIP

18

01643-31232

WASHER

19

01010-81225

BOLT

20

04434-53412

CLIP

21

01643-31232

WASHER

22

01010-81225

BOLT

23

20G-62-31170

BOSS

24

01643-31232

WASHER

25

01010-81290

BOLT

26

02760-00205

HOSE

27

203-62-58170

MARK¤ P2

28

02761-00315

HOSE

29

20G-62-K8750

MARK¤ T

30

02764-00408

HOSE

31

203-62-62480

MARK¤ T0

32

02761-00305

HOSE

33

203-62-58210

MARK¤ T1

Выбрано товаров: 33